КАК ПРОВЕРИТЬ КАТУШКУ ЗАЖИГАНИЯ? ЗАМЕНА КАТУШКИ ЗАЖИГАНИЯ ВАЗ 2107
Всем привет. Про катушку зажигания мы неоднократно говорили на нашем сайт ВАЗ Ремонт. Сегодня мы снова поднимем вопрос неисправности катушки зажигания и расскажем, как определить неисправность катушки, как проверить, а также заменить катушку зажигания на ВАЗ 2107 своими руками.
НЕМНОГО ТЕОРИИ…
Катушка зажигания на автомобилях необходима для преобразования тока низкого напряжения 12 В в высокий ток — 11-20 кВ, который необходим для образования искры на свечах зажигания. Что происходит дальше известно, наверное, всем!? Искра воспламеняет рабочую смесь и происходит выброс энергии, который приводит в движение поршни. Как я уже говорил в своих предыдущих статьях, катушка зажигания – это своего рода трансформатор, который также можно назвать миниатюрной автомобильной “подстанцией”.
На “семерке”, как правило, используются контактные системы зажигания типа Б-117 А. Сама катушка располагается в моторном отсеке и крепится к левому брызговику на две шпильки. Также встречаются на ВАЗ 2107 и бесконтактные системы зажигания (БСЗ), в данном случае используются катушки типа 27.3705, маслонаполненные с разомкнутым магнитопроводом, а также типа 3122.3705 сухие с замкнутым магнитопроводом.

ПРИЗНАКИ НЕИСПРАВНОСТИ КАТУШКИ ЗАЖИГАНИЯ
Если после поворота ключа в замке зажигания вы услышали, что стартер крутит, но мотор не заводится, то как правило, это может означать, что катушка зажигания работает некорректно или вышла из строя. Хотя причин, по которым мотор не запускается, когда вы пытаетесь его завести, существует очень много: свечи, ВВ-провода, проблемы в топливной (насос, топливный фильтр, забита магистраль), и так далее…
НО ЕСЛИ ВСЕ-ТАКИ ПРИЧИНА В КАТУШКЕ ЗАЖИГАНИЯ, ТО ПОНЯТЬ ЭТО МОЖНО ПО ТАКИМ СИМПТОМАМ:
- Отсутствует искра на свечах;
- На ВВ-проводах нет тока;
- Визуальные дефекты (трещины и сколы на корпусе катушки);
- Запах горелого под капотом, который оставляет следы плавления катушки зажигания (сгорела обмотка первичная или вторичная).
КАК ПРОВЕРИТЬ КАТУШКУ ЗАЖИГАНИЯ ВАЗ 2107?
Проверка зажигания на ВАЗ 2107 выполняется с использованием мультиметра или омметра.
- Необходимо отключить провода от клемм катушки зажигания.
- И подсоединить к выводам первичной обмотки катушки зажигания электроды мультиметра.
- Проверьте сопротивление. Сопротивление первичной обмотки на катушке типа Б-117 А, при температуре 20°С должно быть примерно 3-3,5 Ом, для катушки типа 27.3705 — 0,45-0,5 Ом.
- Подключите мультиметр к высоковольтному выводу «+Б», для того чтобы измерить сопротивление на вторичной обмотке. Сопротивление вторичной обмотки, на катушке типа Б-117 А при температуре 20°С должно быть 7,4-9,2 кОм, для другого типа катушки — 27.3705 (нормальным сопротивлением считается — 5-0,5 кОм).
КАК ЗАМЕНИТЬ КАТУШКУ ЗАЖИГАНИЯ НА ВАЗ 2107
Катушка в большинстве случаев неремонтопригодная, то есть починить ее практически невозможно, поэтому в случае неисправности катушки зажигания ее придется менять. Замена катушки на ВАЗ 2107 производится довольно просто, с этим заданием под силу справиться любому начинающему автовладельцу.
ДЛЯ РАБОТЫ ВАМ ПОТРЕБУЮТСЯ:
- Торцевые головки на “8” и “10”;
- Новая катушка зажигания.
Собственно сам процесс замены:
- Первым делом снимаем “-” клемму с АКБ.
- Далее вынимаем центральный ВВ-провод вывода катушки, для этого достаточно просто потянуть его вверх, приложив минимум усилий.
Головкой на “8” откручиваем гайки крепления клемм проводов, подключенных к контактам катушки.

- Далее снимаем саму катушку, для этого откручиваем две гайки крепления катушки.
- Снимаем катушку зажигания и ставим на ее место новую.
Дальнейшая сборка производится в обратной последовательности.
Не нашли интересующую Вас информацию? Задайте вопрос на нашем форуме.
Карданчик кулисы кпп ваз 2109
Подсос воздуха через форсунки симптомы ваз 2114. Возможные неисправности, чистка и регулировка
Как поменять прокладку головки блока цилиндров ваз 2110 8 клапанов
ВАЗ карбюратор плохо заводится на горячую, причины и способы устранения
Как подключить эсп на ваз 2110
Расход бензина лада ларгус на 100 км пути, город, трасса, смешанный цикл
Как на ваз 2107 подключить сигнализацию
Как снять лобовое на ваз 2109, демонтаж стекла и установка
Компоненты системы зажигания автомобиля
Ранее на авто устанавливался трамблер марки Р-125Б. Этот узел монтировался на машине совместно с карбюратором маркировки 2103. Трамблер имел в своей конструкции специальный механический корректор, а вакуумный регулятор отсутствовал. На ВАЗ 2106 устанавливаются свечи, относящиеся к типу А17ДВ или же свечи, которые имеют аналогичные технические характеристики. В конструкции автомобильной системы применен замок типа ВК347, оснащенный противоугонным устройством.
На автомобиле используется катушка зажигания типа Б117-А, которая имеет разомкнутый магнитопровод и является маслонаполненной и герметизированной системой. Зажигание ВАЗ 2106 контактное, однако стоит отметить, что иногда встречается и бесконтактный вариант исполнения. Контактная система считается более простой в своем устройстве.
Контактное зажигание ВАЗ требует регулярного ухода и контроля состояния контактов. Такое зажигание принято считать классическим вариантом системы. Конструкция свечей зажигания ВАЗ 2106 является неразборной и имеет керамический изолятор. Трамблер предназначен для осуществления прерывания токов с низким напряжением в первичной обмотке и распределения высоковольтных импульсов по свечам.
Прерыватель трамблера состоит из кулачка, имеющего четыре выступа, и стойки, на которой расположены контакты, размыкаемые при вращении. На верхнем конце втулки кулачка припаивается опорная планка регулятора опережения с грузами. Сбоку к трамблеру крепится вакуумный регулятор. В конструкции распределителя предусмотрена установка помехоподавительного резистора.
Проблемы электрики, систем охлаждения и подачи горючего
Электрическая часть автомобиля в целом достаточно надежна, поскольку проста. Часто выходят из строя следующие детали:
- предохранители;
- регулятор напряжения зарядки;
- контакты трамблера (на старых моделях), предохранитель бегунка;
- провода высокого напряжения;
- щетки стартера и генератора;
- реле;
- окисляются клеммы аккумуляторной батареи.
Самым слабым местом системы охлаждения является термостат. Диагностика неисправности следующая: наблюдается перегрев жидкости либо, наоборот, постоянно низкая температура. В более новых моделях иногда выходит из строя датчик включения электровентилятора, находящийся в нижней части радиатора. Через 40-60 тысяч пробега приходит в негодность водяной насос (помпа). Ремонту он не подлежит и меняется целиком. Остальные узлы и детали системы работают надежно и не имеют ярко выраженных «болезней».
В системе топливоподачи внимания требует бензонасос, в нем быстро изнашиваются диафрагмы и клапаны. В карбюраторных моделях «шестерки» капитальная очистка этого узла требуется ориентировочно 1 раз в 25 тысяч км. На машинах ВАЗ 21061 и 2106 в последние годы устанавливались карбюраторы 2107 «Озон», на ВАЗ 21063 — модификация 2105 «Озон». На автомобилях с инжектором необходимо выполнять очистку форсунок с таким же интервалом, как и карбюраторы.
Причины выхода из строя
Причин выхода из строя катушки зажигания множество. Наиболее частая – внутреннее короткое замыкание. Когда катушка перегревается, например, из-за повышенного температурного режима работы двигателя (бедная смесь, неисправная система охлаждения), нарушается изоляция. К перегреву катушки ведет и использование изношенных свечей, в которых возник внутренний зазор из-за износа токопроводящего стеклогерметика. Кроме того, обратные газы и пробой изолятора пагубно влияют на состояние резинового наконечника катушки зажигания.

На фото представлена неисправная катушка зажигания Ваз 2106
Давайте рассмотрим наиболее частые причины выхода из строя катушки зажигания Ваз 2106:
- Естественный износ. Устройство эксплуатируется в экстремальных условиях при большом перепаде температур, влажности, возможности попадания влаги, грязи, посторонних жидкостей. При этом через первичную обмотку протекают большие токи, во вторичной обмотке формируется высоковольтный импульс.
- Электрический пробой. Разберемся, почему пробивает катушку зажигания. Со временем в результате действия высоких перепадов температур диэлектрическая изоляция растрескивается, в микротрещины может попасть соленая влага, являющаяся проводником. Для напряжений более 15.000 вольт, формируемых во вторичной обмотке, в качестве проводника выступает даже чистая недистиллированная вода.
- Перегрев. В некоторых автомобилях катушки зажигания установлены непосредственно в верхней части двигателя либо вблизи от нее. В случае, если к их конструкции отсутствует доступ воздуха для естественной вентиляции (такое возможно при установке дополнительного оборудования), может наступить перегрев устройства и выход его из строя.
- Механическая нагрузка. Крепление катушки должно быть штатное. Некоторые автолюбители пренебрегают этим требованиям, «подвешивая» ее на самодельные конструкции.
- Износ свечей, высоковольтных проводников. Несмотря на то, что в схеме имеется ограничивающее сопротивление, износ свечей и высоковольтных проводников может вызвать в них электрический пробой. Тогда увеличивается ток нагрузки, бобина может перегреться.
- Неисправность реле регулятора напряжения генератора. Иногда приводит к повышению напряжения бортовой сети автомобиля, выходу из строя электронного усилителя (коммутатора).
- Неисправность контактной группы замка, электронного коммутатора. Если во время стоянки на катушку постоянно подается напряжение +12 Вольт в случае нештатного замыкания контактной группы замка, устройство может перегреться и выйти из строя. Такая же ситуация возможна в случае неисправности коммутатора.
Немного теории.
Катушка зажигания на автомобилях необходима для преобразования тока низкого напряжения 12 В в высокий ток — 11-20 кВ, который необходим для образования искры на свечах зажигания. Что происходит дальше известно, наверное, всем!? Искра воспламеняет рабочую смесь и происходит выброс энергии, который приводит в движение поршни. Как я уже говорил в своих предыдущих статьях, катушка зажигания — это своего рода трансформатор, который также можно назвать миниатюрной автомобильной «подстанцией».
На «семерке», как правило, используются контактные системы зажигания типа Б-117 А. Сама катушка располагается в моторном отсеке и крепится к левому брызговику на две шпильки. Также встречаются на ВАЗ 2107 и бесконтактные системы зажигания (БСЗ), в данном случае используются катушки типа 27.3705, маслонаполненные с разомкнутым магнитопроводом, а также типа 3122.3705 сухие с замкнутым магнитопроводом.
Проверка работоспособности катушки
Как проверить катушку зажигания автомобиля ВАЗ-2106 в домашних условиях? Лучший способ – воспользоваться мультиметром или омметром. Тестирование обмоток с помощью данного оборудования осуществляется таким образом:
- чтобы убедиться в исправности первичной обмотки, подключаем омметр к боковым ее выводам и смотрим на показатели сопротивление. Для полностью рабочей катушки зажигания оно должно составить не менее 3-4 Ом. В противном случае устройство потребуется ремонтировать или заменять;
- для проверки вторичной обмотки один из выходов омметра присоединяется к тому же боковому, а второй – к центральному выводу на самом импульсном трансформаторе. Нормальный показатель находится где-то в пределах 7,5-9,2 Ом. Чтобы получить точные данные, лучше воспользоваться руководством по эксплуатации вашего автомобиля. При наличии каких-либо отклонений катушка зажигания подлежит однозначной замене.
Перед выполнением описанных выше проверок необходимо отключить от аккумулятора минусовую клемму. Это поможет исключить риск короткого замыкания.
Как проверить катушку мультиметром
Чаще всего мы задумываемся о ремонте бензопилы тогда, когда она уже перестает заводиться. Если возникли проблемы с запуском, стоит проверить катушку зажигания. Основные признаки неисправности:
- Бензопила не заводится или с трудом заводится «на холодную», троит, пока не прогреется;
- Бензопила заводится, но работает неровно, чихает, стреляет и т.д.;
- Упала мощность бензопилы;
- Увеличился расход топлива.
Для диагностики поломки в системе зажигания воспользуемся таким прибором, как мультиметр. Для этих целей нам подойдет любая модель цифрового мультиметра в комплекте с щупами. Хорошо себя зарекомендовали модели бренда DT, такие, как базовый DT9205A или же мультиметр того же бренда — DT9205A, с более расширенным функционалом.
Цифровой измерительный прибор — мультиметр
- Обязательно изучаем инструкцию нашей бензопилы: выясняем рабочие показатели среднего сопротивления для обмотки цепи (стандартное сопротивление в 0,2 — 4 Ом);
- Устанавливаем аппарат таким образом, чтобы стрелка показала 200 Ом;
- Подключаем мультиметр к обмотке цепи (щупы на «+» и «К» — корпус катушки) и измеряем сопротивление. Если показатели в норме (0,2 — 4 Ом), продолжаем тестировать;
- Переводим мультиметр в режим 20 кОм, переносим щуп с корпуса на подсвечник, выполняем проверку. Допустимые значения 6-15 кОм (в зависимости от модели).
- Если показатели сильно разнятся с установленными значениями, следует заменить катушку.
Видео
Рекомендуем посмотреть видео, автор которого подробно рассказывает как проверить катушку зажигания бензопилы мультиметром. Тесты проводятся на разных пилах и разных катушках.
Сообщества › ВАЗ: Ремонт и Доработка › Блог › Инжекторная катушка на карбюраторных двигателях.
Решил здесь поделиться как модернизировать систему зажигания карбюраторных ВАЗ с не сильно большой переделкой, то есть фактически одну катушку заменить на другую. Заодно узнать ваше мнение.
Так как мне захотелось немного модернизировать свою систему зажигания на ВАЗ 21083, а именно поменять старую катушку на что нибудь другое из за того, что по всем признакам и приговору СТОшника уже подходит время её менять. Перелопатив весь форум и интернет, видел как применяют по четыре катушки, две релюшки, кучу проводки и полнейшего разноса трамблера )) чтоб впихнуть невпихуемое, дошел даже до способа “божья искра”, понял что это очень хлопотно и из за неправильной установки можно влететь есчо на более крупную сумму.Короче, нашел на мой взгляд самый простой способ как заменить надоедливую катушку 027.3705 за которой нужен “уход” и теперь я очень сильно сомневаюсь в качестве новых “российско — китайских” катушек такого типа:

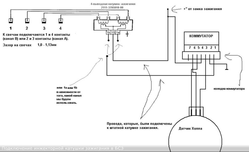
на более современный вид более мощной инжекторной катушки 2111-3705010-03 с несильно большой доработкой самой проводки

Получается что в схеме практически ничего не надо менять, просто заменяется сама катушка зажигания.В цепи бесконтактной системы зажигания ВАЗ 2108 остаются все детали — коммутатор электронный 0529.3734, ВАЗовский трамблер во всей своей красе с одним бесконтактным датчиком холла.
Установка :При подключении катушки можно выбрать левую или правую сторону в этом случае другая сторона будет резервной, получается один провод от катушки подключается к корпусу “масса”, другой идет на трамблер как от стандартной катушки зажигания.

Сам центральный высоковольтный провод который идет на трамблер надо будет переделать, потому что вывод на катушке инжекторный значит тот конец провода который идет на катушку нужно установить инжекторный наконечник.На свечах рекомендуемый зазор 1,0 — 1,13 мм.Схема подключения инжекторной катушки:

Для сравнения это схема подключения катушки старого образца:

Чтобы было понятней расскажу как подключить своими словами:
1. отключаете родную катушку зажигания, на неё идут два провода (запомните какой куда шол) и конец высоковольтного провода который идет потом на трамблер

2. Устанавливаете на конце вв провода который будет идти на инжекторную катушку инжекторный наконечник, дополнительно ставите есчо один провод тоже с инжекторным наконечником который будет идти на корпус “масса”
3. Далее прикручиваете катушку в удобном месте но чтобы провода дотягивались как до катушки так и до массы.
4. подключение проводки происходит через штекер предварительно купленного для этой катушки:— провод который шол на старой катушке к клеме с буквой “Б” подсоединяется по центру выхода из инжекторной катушке;— провод который шол на старой катушке к клеме с буквой “К” подсоединяете слева или справа в зависимости какую вы сторону катушки будете использовать

В конце проверяете зазор на свечах, рекомендую высоковольтные провода с сердцевиной из медной жилой минимальным “нулевым” сопротивлением. Такое изменение улучшит ездовые характеристики.
Можно конечно в трамблер установить параллельно два датчика холла чтобы отказаться от подключений ВВ проводов к крышке трамблера и иметь подключение аналогично инжекторной системы, но я счел это излишним.
Этот способ замены катушек зажигания старого образца на более мощные современные варианты можно применять и на других карбюраторных двигателях, к примеру у нас на форуме уже имеется пример применения такого типа на машине Лада Ока
И в конце видео работы от автора этой идеи модернизации:
Так как появились люди которые немного сомневаются добавлю цифры:— Катушка зажигания 027.3705Сопротивление первичной обмотки (0,45+0,05) ОмСопротивление вторичной обмотки (5+0,5) кОм— Катушки серии 3122.3705Сопротивление первичной обмотки 0,43±0,04 ОмСопротивление вторичной обмотки 4,08±0,40 Ом.— Катушки серии 8352.12Сопротивление первичной обмотки 0,42±0,05 Ом.Сопротивление вторичной обмотки 5,00±1,00 Ом.— Инжекторная катушка зажигания 2111-3705010-03Сопротивление первичной обмотки 0.5 Ом.Сопротивление вторичной обмотки 6.9 кОм
Принцип работы катушки зажигания
Катушка – это классический трансформатор, повышающий поступающее на него напряжение в 12 В, вырабатываемое бортовой электрической системой автомобиля.
Как и любой трансформатор устройство имеет 2 обмотки.
Первичная состоит из достаточно толстого провода в 100-150 витков.
Во вторичной используется провод значительно меньшего сечения, количество витков достигает 30-50 тысяч.
Для обеих обмоток используется медь. Проводник должен быть надежно изолирован, для чего проводку покрывают специальным электротехническим лаком.
Обмотки имеют по 2 вывода: плюсовые выведены на крышку катушки, минусовые соединены друг с другом.
На крышке катушки имеется 3 вывода. 2 низковольтных, из них один плюсовой первичной обмотки, к нему присоединяется питающий провод с напряжением 12 Вольт, второй служит для подключения минусового кабеля (массы).
Третий вывод – высокого напряжения, он соединен с плюсовым концом вторичной обмотки.
К этому выводу подключается провод высокого напряжения, в случае индивидуальных катушек разъем присоединяется непосредственно к самой свече.
Кроме обмоток в середине катушки находится сердечник из трансформаторного железа.
Он предназначен для увеличения магнитного поля. В некоторых моделях катушек свободное внутреннее пространство заполняется трансформаторным маслом.
Его назначение – отвод тепла от обмоток на корпус, также оно имеет изоляционные свойства.
Катушки описанного типа являются классическими. На автомобиль устанавливается только одна.
Устройство общей катушки зажигания.
Сейчас все более распространенными становятся двигатели, на которых каждая свеча зажигания оснащается индивидуальной катушкой зажигания (ИКЗ).
Такие устройства отличаются по конструкции от классических катушек. Так, обмотки у ИКЗ установлены в обратном порядке, т.е. первичная оснащена внутренним сердечником, а вторичная – внешним.
Индивидуальная катушка зажигания в разрезе.
Используются ИКЗ в системах электронного зажигания. Конструкционно они более сложны.
Вторичная обмотка дополнена диодом, подающим высокое напряжение на свечу только в нужным момент.
Корпус у ИКЗ изолированный, в конструкции имеются стержень и пружина.
Кроме индивидуальных и классических катушек имеется еще один тип – двухвыводная.
Ее особенность в том, что напряжение подается на 2 цилиндра. Устройства объединяются в блоки.
Для 4-цилиндрового двигателя такой блок содержит 2 катушки.
Основная техническая характеристика катушки любого типа является величина сопротивления на обмотках.
В зависимости от модели на первичной обмотке значение находится в пределах 0,5-3,5 Ом, на вторичной – 6-15 кОм.
Точные значения указываются в справочниках, в документах на автомобиль их не найти.
Устройство индивидуальной катушки зажигания.
Сопротивление проверяется для того, чтобы убедится в работоспособности детали. Делается это при помощи омметра или более распространенного мультиметра.
К дополнительным характеристикам узла относятся:
- Величина индуктивности первичной обмотки.
- Продолжительность искры, а также ее сила и ток.
Самостоятельно можно проверить только величину сопротивления, для других параметров необходимо использовать специальный стенд, который может быть только на СТО.
Факторы риска для катушки
На нормальное функционирование этой детали влияют постоянное нагревание и вибрационные воздействия. Они приводят к различным повреждениям, нарушениям изоляции, обрывам, замыкания, вплоть до полного лишения работоспособности. Затрудняется запуск мотора, нарушается ритмичность воспламенения.
Из-за различных неполадок в свечах и высоковольтном проводе, возникает большая перегрузка. Неисправное распределительное зажигание, становится причиной затруднения запуска мотора и пропусками зажигания.
Причиной неполадок может стать и механические повреждения, старение материала изоляции, износ уплотнителя, пропускающий масло.
Проблемная катушка проявляет некоторые особенности поведения автомобиля.
- «Троение» на холодную, причем, усугубление проблемы с течением времени
- Под дождем обнаруживаются перебойные явления
- Усиленное надавливание на газ, провоцирует провалы мотора
- Затруднение или невозможность запуска мотора
- Переход на высокую передачу, после непродолжительного разгона, сопровождается провалами
- Во время движения теряется мощность машины
Причины выхода из строя
Причин выхода из строя катушки зажигания множество. Наиболее частая – внутреннее короткое замыкание. Когда катушка перегревается, например, из-за повышенного температурного режима работы двигателя (бедная смесь, неисправная система охлаждения), нарушается изоляция. К перегреву катушки ведет и использование изношенных свечей, в которых возник внутренний зазор из-за износа токопроводящего стеклогерметика. Кроме того, обратные газы и пробой изолятора пагубно влияют на состояние резинового наконечника катушки зажигания.
На фото представлена неисправная катушка зажигания Ваз 2106
Давайте рассмотрим наиболее частые причины выхода из строя катушки зажигания Ваз 2106:
- Естественный износ. Устройство эксплуатируется в экстремальных условиях при большом перепаде температур, влажности, возможности попадания влаги, грязи, посторонних жидкостей. При этом через первичную обмотку протекают большие токи, во вторичной обмотке формируется высоковольтный импульс.
- Электрический пробой. Разберемся, почему пробивает катушку зажигания. Со временем в результате действия высоких перепадов температур диэлектрическая изоляция растрескивается, в микротрещины может попасть соленая влага, являющаяся проводником. Для напряжений более 15.000 вольт, формируемых во вторичной обмотке, в качестве проводника выступает даже чистая недистиллированная вода.
- Перегрев. В некоторых автомобилях катушки зажигания установлены непосредственно в верхней части двигателя либо вблизи от нее. В случае, если к их конструкции отсутствует доступ воздуха для естественной вентиляции (такое возможно при установке дополнительного оборудования), может наступить перегрев устройства и выход его из строя.
- Механическая нагрузка. Крепление катушки должно быть штатное. Некоторые автолюбители пренебрегают этим требованиям, «подвешивая» ее на самодельные конструкции.
- Износ свечей, высоковольтных проводников. Несмотря на то, что в схеме имеется ограничивающее сопротивление, износ свечей и высоковольтных проводников может вызвать в них электрический пробой. Тогда увеличивается ток нагрузки, бобина может перегреться.
- Неисправность реле регулятора напряжения генератора. Иногда приводит к повышению напряжения бортовой сети автомобиля, выходу из строя электронного усилителя (коммутатора).
- Неисправность контактной группы замка, электронного коммутатора. Если во время стоянки на катушку постоянно подается напряжение +12 Вольт в случае нештатного замыкания контактной группы замка, устройство может перегреться и выйти из строя. Такая же ситуация возможна в случае неисправности коммутатора.
Проверка на Lanos, Таврия, Reno Megane
Разница в проверке модуля зажигания на Daewoo Lanos ничем не отличается от тестирования модуля ВАЗ-2110.
Отличия сводятся только к сопротивлению вторичной обмотки на выводах модуля. У Lanos сопротивление вторичных обмоток исправного модуля должно находиться в диапазоне 5,0-6,0 кОм.
Что касается такого автомобиля, как Таврия, то на модели 1102 применяется бесконтактная система, поэтому проверка катушки идентична проверке на автомобилях ВАЗ 2108-21099.
А вот на Таврия Славута используется модуль, который проверяется, как и на Daewoo Lanos. Порядок проверки модуля зажигания на многих иномарках идентичен указанным способам. На том же Reno Megane модуль тоже проверяется замером сопротивления вторичных обмоток.
Коротко можно подвести итог. Катушку зажигания проверить не сложно при условии, что есть определенные навыки и необходимые диагностические приборы.
Самый доступный способ, который целесообразно применить на первом этапе диагностики, измерение сопротивления изоляции на двух обмотках.
Дальше уже идите от простого к сложному, вплоть для использования осциллографа, но к этому делу лучше подключить специалиста.






























