Реле регулятор напряжения ваз 2107
Знание устройства электрооборудования даже на начальном уровне позволит обезопаситься от более сложных поломок. Тем более, что в классических моделях Жигулей электрооборудование выполнено на самом простом уровне. Зная устройство электросистемы можно запросто выявить причину поломки, даже самой сложной, а в случае, если аккумуляторная батарея разряжается слишком быстро или не берет зарядку, можно говорить о неисправности реле.
Для чего нужно
Реле регулятор 2107 необходим для обеспечения стабильного зарядного тока для аккумулятора и выравнивания перепадов напряжения в бортовой сети. Перепады неизбежно возникали бы, поскольку генератор крутится с разной частотой и ток на его выводах может сильно отличаться от номинальных 12 вольт. Если напряжение падает ниже, аккумулятор не может заряжаться, а многие электроприборы попросту не работают. Так же и при слишком большом напряжении аккумулятор может закипать, а приборы выходить из строя.

Если зарядный ток на АКБ падает, в первую очередь проверяют регулятор, поскольку сам генератор из строя выходит крайне редко. Зарядный ток просто проверить на клеммах АКБ при помощи тестера или мультиметра. В нормальном режиме напряжение системы должно быть в пределах 13-14 вольт. В случае, если показатели ниже , чем 12 В, тогда регулятору может светить замена.
Виды реле-регуляторов
Все регуляторы, которые применялись на автомобилях ВАЗ в разное время, могут быть всего двух видов:
- Наружный регулятор.
- Трехуровневый внутренний регулятор.
Начиная с автомобилей 2105 и 2107, завод устанавливал только внутренние реле на генератор. Наружные же применялись на более старых моделях и они были вынесены из генератора, поскольку особой компактностью не отличались. На этих машинах реле устанавливалось под капотом на брызговике слева.

Если была необходимость заменить наружный регулятор, то это делалось легко и просто — он был в доступном месте, крепился прямо к кузову саморезами, снимался элементарно просто. Главное, что нужно было учесть при его замене — соответствие клемм контактам 67 и 15. Достаточно было просто проверить по схеме правильность подключения нового реле, заводить мотор и проводить замер снова.
Внутренний регулятор ВАЗ 2107

С заменой внутреннего реле могут возникнуть сложности, поскольку установлен он на тыльной стороне генератора, а доступ к нему несколько усложнен. Несмотря на это, замена проводится даже без снятия генератора, прямо на машине. Он прикручен двумя винтами к корпусу. Открутив эти винты крестовой отверткой и отсоединив клемму, можно вынуть его и заменить новым.

Часто владельцы ВАЗ старых моделей меняют генератор по причине выхода из строя. В этом случае нужно свериться со схемой подключения генератора старого автомобиля, чтобы удалить старый прибор или хотя бы отключить его из системы. Реле старого и нового образца имеют абсолютно одинаковые характеристики, поэтому полностью взаимозаменяемы. Но при этом новый регулятор отличается более стабильной работой, точностью и долговечностью по сравнению со старым. Кроме этого новый образец обеспечивает оптимальный заряд АКБ любой емкости, а это существенно влияет на срок службы батареи.
Диагностика

Для проверки установленного реле достаточно просто замерять напряжение на клеммах АКБ, и станет понятно, в каком оно состоянии. Чтобы проверить снятое , которое вызывает подозрения, способ проверки несколько другой, но в любом случае это поможет выявить:
- Отсутствие или плохой контакт в выводах щеткодержателя.
- Обрывы щеточных проводников.
- Неисправность самого реле.
К щеткам регулятора просто подключается мультиметр или контрольная лампа на 12 вольт, мощность которой не превышает 2 Вт. Достаточно подать 10-12 В, как лампа должна загореться или мультиметр должен показать соответствующее значение. После этого подается напряжение больше номинального — 16-20 вольт. В этом случае реле должно сработать, а лампа гореть не должна. Если лампа продолжает гореть при повышении напряжения, значит регулятор пробит и не исполняет свои функции. В этом случае он подлежит замене
Также при замене стоит обращать внимание на состояние щеток. Они должны выступать за пределы щеткодержателя не более, чем на 5 мм

Таким образом можно протестировать свой регулятор и спасти аккумулятор от преждевременного износа. Следите за напряжением в сети, и удачных дорог!
голоса
Рейтинг статьи
Что нужно учитывать выбирая новый аккумулятор
По паспорту АКБ рассчитана на 3-5 лет активной эксплуатации (реально выходит меньше). Поэтому со временем возникает необходимость купить и подключить аккумулятор ВАЗ 2107 вместо вышедшего из строя.
Приобретая новую АКБ, следует учитывать ряд параметров и характеристик. Тип батареи: обслуживаемая и необслуживаемая. Первый вариант позволяет проверять и пополнять уровень электролита. Это дает возможность дольше пользоваться АКБ.
Следующий вопрос: какой мощности аккумулятор на ВАЗ 2107 будет наиболее эффективным. Для этой модели годятся батареи емкостью в 50–60 А*ч. Однако учитывая, что современные авто оснащены энергоемким оборудованием, лучше остановиться на более емких аккумуляторах. Кроме того, карбюраторные модели ВАЗов требуют более мощных АКБ – больше потребляют энергии при запуске. По габаритам на ВАЗ 2107 требуются источники питания размерами 242*175*190 мм. Под них подходит подавляющее большинство имеющихся на рынке образцов.
При выборе аккумулятора следует учитывать и место проживания владельца «семерки». Тем, кто обитает на юге, можно приобрести менее мощную батарею. Северянам рекомендуется предпочесть АКБ с повышенной емкостью: на морозе машина заводится с большими энергозатратами.
Проверка снятого регулятора напряжения
Чтобы уточнить состояние регулятора, его необходимо снять. Устройство лучше тестировать в сборе со щетками и щеткодержателем. Это позволит сразу обнаружить:
- плохой контакт в соединении выводов щеткодержателя и регулятора напряжения;
- обрывы выводящих проводников щеток.
К щеткам устройства, снятого с генератора 37.3701, подсоединяют вольтметр или лампу на 12 В мощностью 1–3 Вт. Для регулятора от генератора Г-222 подключение делают к выводам «В» и «Ш». К выводам «Б», «В» (когда они есть) устройства подключают «плюс» источника питания, а к массе – «минус». Сначала подают напряжение 12–14 В, а после этого – 16–22 В. Признаком исправности устройства будет загорание лампы (отклонение стрелки вольтметра) в первом случае и погасание (обнуление вольтметра) – во втором.
Когда лампа светится в обоих случаях – это означает, что в устройстве пробой. Если в обоих случаях лампа не горит, то отсутствует контакт между выводами регулятора и щетками, или в устройстве имеется обрыв. Еще одной причиной неправильного регулирования напряжения может быть износ или заедание щеток. Они должны выступать из корпуса электронного устройства или щеточного узла реле-регуляторов не меньше, чем на 5 мм.
Что делать если нет зарядки, слабая зарядка (аккумулятор разряжается)?
Если аккумулятор вашего Ваз 2107 разряжается, то «виноватым» может оказаться один из трех элементов: генератор, регулятор напряжения, соединения между ними. Определить «кто виноват» можно очень просто, даже без дополнительных приборов. Как- поможет эта статья.
Выполняем проверку с помощью штатного оборудования
Для наблюдения за работой генератора на «семерке» есть два прибора: вольтметр и контрольная лампочка на панели приборов. С их помощью можно отследить причину ваших бед.
1) Включите зажигание не включая стартера и посмотрите на контрольную лампу. Она должна светить полным накалом, как на фото. Стрелка вольтметра, в норме, стоит на белом участке шкалы (фото). Допустим, все О.К.- переходим к пункту 2
Горит лампа контроля зарядки аккумулятора
Положение стрелки вольтметра до запуска двигателя (зажигание включено)
Лампа не горит, стрелка вольтметра при включении зажигания остается на нуле
Проверьте предохранитель №10 в монтажном блоке. 99% он окажется перегоревшим. При этом все остальные лампы на панели приборов тоже окажутся обесточенными. Замените его точно таким же и повторите проверку. Ели предохранитель сгорел снова, нужно искать причину, то есть короткое замыкание. Проверяем не отсоединились ли провода от генератора, не перетерлась ли где-то изоляция и т.д. Найти причину поможет схема 3 вот по этой ссылке
Лампа не горит, стрелка вольтметра показывает норму
Проверяем провода на генераторе, не отцепился ли провод с клеммы «61». Если там все в норме, нужно проверить есть ли на этом проводе «плюс» с помощью контрольной лампы, индикаторной отвертки или мультиметра.
Клемма «61» генератора Ваз-2107
Если «плюс» есть— проверяем «таблетку» (она же «шоколадка») и генератор.
«Плюса» нет— придется снять панель приборов и проверить лампу. Перегоревшую замените. Как снять панель смотрите видео
2) Запускаем двигатель. Контрольная лампа должна погаснуть, стрелка вольтметра переходит в зеленый сектор и находится от середины до правого края (фото). Если все так, то скорее всего, генератор работает нормально.
Вольтметр показывает нормальное напряжение (зарядка есть)
Лампа продолжает гореть или слегка тускнеет
Если дать газу- гаснет на высоких оборотах и снова светиться при их уменьшении. Стрелка вольтметра в белом секторе и уходит на край зеленого при повышении оборотов. Вывод- генератор неисправен. Тот же вывод, если лампа продолжает гореть на любых оборотах, а стрелка вольтметра в белом секторе и даже уходит в красный.
Что делать если нет зарядки?
Если нету зарядки ВАЗ 2107, то есть напряжение на клеммах аккумулятора, как при включенном дальнем свете фар, так и при выключенном, не повышается при работающем двигателе и соответствует напряжению аккумуляторной батареи. Чаще всего напряжение даже снижается. Это свидетельствует об отсутствии питания на обмотке возбуждения генератора. Причиной этого может быть неисправность регулятора или потеря питания на нём. В этом случае первым делом контрольной лампой проверяем питание на проводе подключённом к регулятору напряжения или выводу 15 генератора, в зависимости от применённой схемы подключения.
На автомобилях выпуска после 1996 года необходимо при включенном зажигании соединить провод от клеммы 15 генератора с массой. При этом должна загореть контрольная лампа зарядки. Если питание есть, а на автомобилях выпуска после 96г. горит контрольная лампа, то снимаем регулятор напряжения с генератора и проверяем его исправность. Как это сделать описано в статье Проверка регулятора напряжения.
В случае отсутствия питания необходимо проверить на автомобилях до 1996 года выпуска, целостность предохранителя №9 в монтажном блоке. При его исправности проверить исправность провода от монтажного блока до регулятора напряжения, надёжность его соединений и наличие питания на выводе 3 колодки 11 монтажного блока. При отсутствии питания на клемме 3, проверьте целостность токопроводящих дорожек в монтажном блоке. На автомобилях выпуска после 1996 года, если не горит контрольная лампа, необходимо проверит её исправность и прозвонить цепь от неё до клеммы 15 генератора согласно приведённой схемы. При исправности регулятора напряжения и цепи возбуждения, необходимо снять и отремонтировать генератор.
Ваз 2107 реле зарядки инжектор – Где находится реле зарядки ВАЗ 2107: схема, расположение
Принцип работы и неисправности реле зарядки ВАЗ-2107
В статье расскажем о том, что такое реле зарядки на ВАЗ-2107, какие функции оно выполняет. А самое главное – уясним принцип работы различных типов устройств. Элемент этот малозаметный, очень надежный и недорогой, но подвести может в самый неожиданный момент
Как правило, водители обращают на него внимание после того, как пропадает на аккумуляторе зарядка. Отсюда вытекает и масса иных проблем – двигатель не запускается, электрооборудование работает неправильно
Чтобы не произошло такого, нужно проверить работоспособность реле зарядки.
Как выглядит и где ставится?
А теперь давайте узнаем, где находится реле зарядки ВАЗ-2107 (карбюратор). Изначально это устройство ставилось вдали от генератора на арке под капотом (с левой стороны). На более новых «семерках», оснащенных инжекторной системой впрыска, регулятор напряжения объединили с щеточным узлом.

Первые регуляторы напряжения выполнялись на электромагнитных реле, работали достаточно медленно, требовали постоянного вмешательства. Проблема в том, что механические элементы изнашиваются очень быстро. Кроме того, постоянно требовалось корректировать зазоры в реле. Современные полупроводниковые работают бесшумно, быстро, без электромагнитных реле. Один кристалл кремния способен выполнить функции нескольких механических реле.
Для чего необходимо реле зарядки?
Чтобы поддерживать правильный режим зарядки аккумуляторной батареи, а также для обеспечения нормального функционирования всех электроприборов в бортовой сети автомобиля, генератор должен вырабатывать напряжение в диапазоне 13,6…14,6 В. Под нагрузкой генератор должен выдавать около 14 В стабильно. При помощи регулятора напряжение изменяется в цепи питания обмотки ротора.

Суть работы генератора заключается в том, что при увеличении напряжения питания обмотки возбуждения происходит возрастание напряжения на выходе генератора. Именно напряжение в цепи питания роторной обмотки стабилизирует регулятор. Если этого не сделать, то напряжение, подаваемое на обмотку, будет меняться (зависит оно от числа оборотов, нагрузки на коленвал двигателя, и т. д.).
Что произойдет при поломке
Но что может случиться, если реле зарядки ВАЗ-2107 (инжектор) выйдет из строя? Всего может быть два варианта:
Поэтому нельзя пренебрегать регулятором напряжения, при обнаружении поломок следует сразу же их устранять.
Как понять, что регулятор неисправен
Если у вас появились подозрения, что случилась поломка реле зарядки ВАЗ-2107, необходимо проверить напряжение на аккумуляторной батарее.

В том случае, если оно меньше 13 В или больше 14, можно судить о наличии таких причин поломок:
Внутренняя неисправность регулятора.
Неисправность генератора.
Нет контакта (или он плохой) в соединениях между генератором и АКБ.
Чтобы удостовериться в исправности регулятора, необходимо отсоединить его от всей электросети автомобиля. В том случае, если у вас установлен наружный, просто снимите с него две клеммы и ключом на «8» выкрутите крепеж к кузову. Чтобы внутреннее реле демонтировать, потребуется выкрутить два болта, которыми крепится корпус к задней крышке генератора.
Обязательно обесточьте бортовую сеть автомобиля – снимите с АКБ минусовую клемму. В противном случае возможно образование короткого замыкания. При этом некоторые участки электропроводки могут выгореть.
Причины поломки регулятора
Всего можно выделить три причины поломок реле зарядки ВАЗ-2107:
Контакт между выводами держателя щеток и проводкой очень плохой.
Произошел пробой кристалла полупроводника.
Наличие обрыва в цепи питания.
Эти все поломки характерны для устройств современного типа, в основе которых лежит полупроводник. Что касается механических, то в них могут выйти из строя катушки электромагнитов, обгореть контактные группы, и т. д.
Проверка работоспособности прибора
Для проведения диагностики вам потребуется вольтметр (можно использовать даже простую лампу накаливания), а также источник постоянного напряжения с регулировкой 12…20 В.
Для проведения диагностики нужно выполнить такие манипуляции:
К выводу «Ш» (или корпусу регулятора напряжения) нужно подключить отрицательный вывод источника питания.
К выводу, обозначенному буквой «В», подключаете плюс от источника питания.
Схема цепи зарядки АКБ на ВАЗ-2107
Схема цепи зарядки аккумулятора на ВАЗ-2107 такая же, как и у других легковых автомобилей. Механизм ее действия заключается в следующем:
- АКБ соединяется своим «минусовым» выводом с помощью медной шины с кузовом.
- К «плюсовому» выводу аккумулятора подсоединяется вся электрическая система с помощью двух шин:
- первая шина идет к стартеру;
- вторая шина – к генератору.
- «Плюсовый» вывод генератора передает напряжение:
- на блок для предохранителей;
- на замок зажигания.
- С замка зажигания электричество передается в монтажный блок, в котором размещены предохранители (тот, что защищает эту токопроводящую цепь, имеет маркировку «F10»).
- С предохранителей напряжение подается:
- на лампу контроля «Сигнал об уровне заряда» (она предназначена для оповещения о недостаточной зарядке аккумулятора);
- на вольтметр, который показывает цифровые показатели напряжения в токопроводящей цепи.
- Следующий этап в цепи зарядки АКБ – передача тока на:
- блок с предохранителями;
- клемму генератора 61 (щеточный узел).
Как видим, неисправность в данной цепи зарядки аккумулятора может появиться практически в любом ее месте. Например, разрушиться контакт, в результате этого генератор перестанет качественно заряжать АКБ транспортного средства.
Схема блока предохранителей ВАЗ 2107 (полная электрическая схема)
| № реле/ предохранителя | Обозначения |
| 1 | Блок-фары |
| 2 | Боковые указатели поворота |
| 3 | Аккумуляторная батарея |
| 4 | Реле включения стартера |
| 5 | Электропневмоклапан карбюратора |
| 6 | Микровыключатель карбюратора |
| 7 | Генератор 37.3701 |
| 8 | Моторедукторы очистителей фар* |
| 9 | Датчик включения электродвигателя вентилятора |
| 10 | Электродвигатель вентилятора системы охлаждения двигателя |
| 11 | Звуковые сигналы |
| 12 | Распределитель зажигания |
| 13 | Свечи зажигания |
| 14 | Стартер |
| 15 | Датчик указателя температуры охлаждающей жидкости |
| 16 | Подкапотная лампа |
| 17 | Датчик сигнализатора недостаточного давления масла |
| 18 | Датчик сигнализатора недостаточного уровня тормозной жидкости |
| 19 | Моторедуктор очистителя ветрового стекла |
| 20 | Блок управления электропневмоклапаном карбюратора |
| 21 | Катушка зажигания |
| 22 | Электродвигатель насоса омывателя фар* |
| 23 | Электродвигатель насоса омывателя ветрового стекла |
| 24 | Монтажный блок |
| 25 | Реле очистителя ветрового стекла |
| 26 | Реле аварийной сигнализации и указателей поворота |
| 27 | Выключатель сигнала торможения |
| 28 | Выключатель света заднего хода |
| 29 | Реле зажигания |
| 30 | Выключатель зажигания |
| 31 | Трехрычажный переключатель |
| 32 | Выключатель аварийной сигнализации |
| 33 | Штепсельная розетка для переносной лампы** |
| 34 | Переключатель вентилятора отопителя |
| 35 | Дополнительный резистор электродвигателя отопителя |
| 36 | Лампа сигнализатора включения обогрева заднего стекла |
| 37 | Лампа сигнализатора недостаточного уровня тормозной жидкости |
| 38 | Блок сигнализаторов |
| 39 | Электродвигатель вентилятора отопителя |
| 40 | Лампа освещения вещевого ящика |
| 41 | Выключатели плафонов на стойках передних дверей |
| 42 | Выключатели фонарей сигнализации открытых передних дверей*** |
| 43 | Фонари сигнализации открытых передних дверей*** |
| 44 | Соединительная колодка |
| 45 | Прикуриватель |
| 46 | Часы |
| 47 | Выключатель освещения приборов |
| 48 | Диод для проверки исправности лампы сигнализатора недостаточного уровня тормозной жидкости |
| 49 | Указатель уровня топлива |
| 50 | Лампа сигнализатора резерва топлива |
| 51 | Спидометр |
| 52 | Лампа сигнализатора включения указателей поворота |
| 53 | Лампа сигнализатора прикрытия воздушной заслонки карбюратора |
| 54 | Лампа сигнализатора заряда аккумуляторной батареи |
| 55 | Выключатель сигнализатора прикрытия воздушной заслонки карбюратора |
| 56 | Комбинация приборов |
| 57 | Эконометр |
| 58 | Выключатели плафона на стойках задних дверей |
| 59 | Указатель температуры охлаждающей жидкости |
| 60 | Тахометр |
| 61 | Лампа сигнализатора включения стояночного тормоза |
| 62 | Лампа сигнализатора недостаточного давления масла |
| 63 | Лампа сигнализатора включения дальнего света фар |
| 64 | Лампа сигнализатора включения наружного освещения |
| 65 | Вольтметр |
| 66 | Выключатель сигнализатора включения стояночного тормоза |
| 67 | Выключатель наружного освещения |
| 68 | Выключатель обогрева заднего стекла с лампой подсветки |
| 69 | Выключатель заднего противотуманного света с сигнализатором включения* ** *** |
| 70 | Предохранитель цепи противотуманного света |
| 71 | Плафон**** |
| 72 | Задние фонари |
| 73 | Датчик указателя уровня и резерва топлива |
| 74 | Колодки для подключения к элементу обогрева заднего стекла* |
| 75 | Фонари освещения номерного знака |
Порядок условной нумерации штекеров в колодках:
а — блок-фар, очистителей фар и ветрового стекла, реле очистителя ветрового стекла, блока управления электропневмоклапаном карбюратора;
б — монтажного блока и трехрычажного переключателя;
в — реле аварийной сигнализации и указателей поворота;
г — задних фонарей (нумерация выводов по порядку от края платы);
д — выключателя аварийной сигнализации.
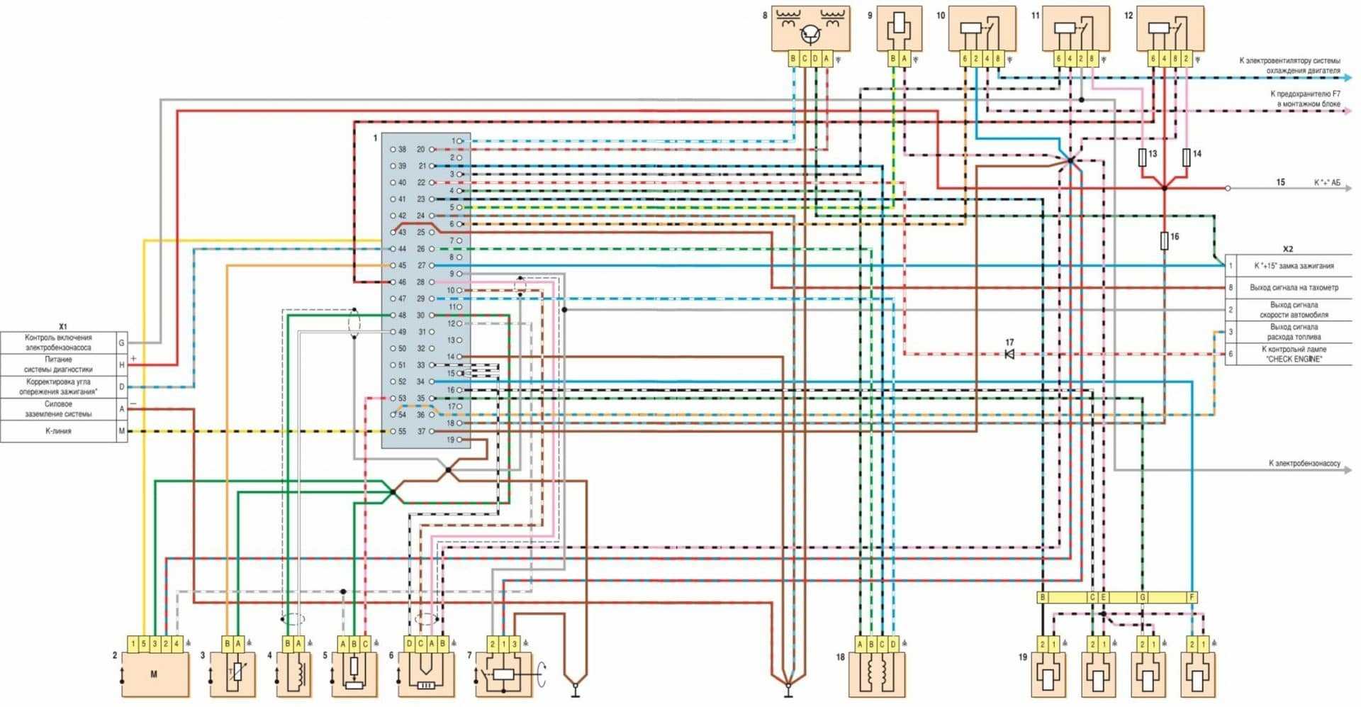
ВАЗ 2107 — схема инжектора (система управления впрыска топлива)

| № реле/ предохранителя | Обозначения |
| 1 | Разъем контроллера |
| 2 | Датчик массового расхода воздуха |
| 3 | Датчик температуры охлаждающей жидкости |
| 4 | Датчик положения коленчатого вала |
| 5 | Датчик положения дроссельной заслонки |
| 6 | Датчик концентрации кислорода |
| 7 | Датчик скорости |
| 8 | Модуль зажигания |
| 9 | Электромагнитный клапан продувки адсорбера |
| 10 | Реле электровентилятора |
| 11 | Реле электробензонасоса |
| 12 | Главное реле |
| 13 | Предохранитель, защищающий силовую цепь реле электробензонасоса |
| 14 | Предохранитель, защищающий силовые цепи главного реле |
| 15 | Плавкая вставка |
| 16 | Предохранитель, защищающий цепь постоянного питания контроллера |
| 17 | Диод |
| 18 | Регулятор холостого хода |
| 19 | Форсунки |
| Х1 | Колодка диагностики |
| Х2 | Колодка соединения с системой электрооборудования автомобиля |
Генератор инжекторной ваз 2107 и его неисправности
Ранним морозным утром пытаешься завести свою семерочку, а потом обращаешь внимание на то, что красный аккумулятор загорается на приборной панели. Первое, что бросается на ум, — неисправно реле зарядки ВАЗ 2107
Сразу же вспоминается и то, что к генератору уже года три как не притрагивались, только ремни меняли. И про то, что щетки имеют свойство быстро изнашиваться. Но уже поздно, уже приехали.
Прежде чем ехать в магазин и покупать реле зарядки, нужно снять старое и проверить его. На инжекторных ВАЗ 2107 применяются генераторы от восьмерок. Они более современны, мощность несколько выше, нежели на тех, которые ставились ранее. С этими преимуществами, запасные части на генератор имеют сравнительно низкую стоимость, почти равную стоимости стандартного генератора.
Устройство реле зарядки
Конструктивно реле зарядки инжекторного ВАЗ 2107 выполнено в одном корпусе с щеточным механизмом. Реле служит для стабилизации выходного напряжения генератора. Ранее можно было встретить в продаже реле зарядки, выполненные на печатной плате. Как правило, такие узлы были неразборные, они имели немного большие габариты, чем те, которые распространены сегодня.
Сегодня же в продаже можно встретить одну конструкцию реле зарядки. Вместо печатной платы использован полупроводник. Немного меньшие габариты, на качество работы это никак не повлияло. Основную функцию — регулирование напряжения в интервале 13,2..14,8 Вольт, узел выполняет без труда. Неисправность этого узла может быть обнаружена путем замера напряжения на аккумуляторе ВАЗ 2107. Если оно больше 14,8 Вольт, то налицо неисправность реле зарядки.
Замена и проверка на ВАЗ 2107
В каких случаях требуется замена реле зарядки? Во-первых, износ щеток. Ламели ротора стирают щетки постепенно, отчего может пропасть контакт. Следовательно, питание на обмотку возбуждения перестанет поступать, генератор работать не будет. Во-вторых, пробой в схеме реле зарядки, отчего повышается напряжение на генераторе. Можно видеть, что неисправностей реле зарядки на ВАЗ 2107 может быть две всего
Если не принимать во внимание поломку корпуса и креплений
Где расположено реле зарядки? Взгляните на заднюю крышку генератора ВАЗ 2107, на ней вы сможете увидеть, в верхней части, круглую деталь на пластиковом остове. Как правило, она черного цвета, из генератора к нему подходит провод желтого цвета. Вот это и есть реле зарядки. К корпусу генератора он крепится при помощи двух болтов. Снять его можно и на автомобиле, без демонтажа генератора.
Сначала отключаем минусовую клемму от аккумулятора, чтобы не возникло в процессе работы короткое замыкание. Затем, отсоединяем от реле зарядки желтый провод. Откручиваем два болта, которыми крепится реле ВАЗ 2107 к генератору. Теперь можно снять его и осмотреть. Проверяем длину щеток, если они стерлись, то, естественно, замена неизбежна.
Проверить реле зарядки несложно, имеется несколько способов. Новое реле можно проверить наиболее простым способом. Для этого, к щеткам реле ВАЗ 2107 подключаем мультиметр, а на вывод «В+» и массу подаем, соответственно, плюс и минус от источника постоянного напряжения, например, от аккумулятора автомобиля. При исправном реле зарядки мультиметр будет показывать наличие напряжения. Вместо тестера можно использовать и контрольную лампу с напряжением питания 12 Вольт, мощностью не более трех Ватт.
Проверив новое реле зарядки и убедившись в его исправности, нужно установить его на генератор. Проводим действия, обратные снятию ре
Как проверить реле стартера ВАЗ 2107
Чтобы проверить работоспособность реле, необходим вольтметр или “контролька”. Проверка работоспособности выполняется следующим образом:
- снимите с реле колодку проводов;проверьте, не окислились ли контакты на реле и колодке;
- зачистите контакты, если это необходимо;
- убедитесь в наличии “массы” на проводе, идущем к контакту “86” реле;
- проверьте, появляется ли напряжение на проводе, идущему к клемме “85” реле, если попытаться завести машину ключом;
- убедитесь, что при включенном зажигании на провод, идущий к клемме “30” подается напряжение;
- если напряжение есть на клеммах есть, проблема в реле, а не в питании;
- снимите реле стартера с автомобиля;
- убедитесь, что при подаче напряжения на выводы “85”и “86” замыкается контакт между “30” и “87” выводами реле.
Если реле не срабатывает, необходимо заменить его новым.
Что еще проверять
- Регулятор напряжения;
- Выпрямительный блок генератора;
- Диоды;
- Генератор на обрыв обмоток;
- Щеточный узел генератора;
- Контакты на выводах генератора, монтажного блока.
Продолжаем… Диоды проверяются контрольной лампочкой либо мультиметром. Если один из них пробит, менять придется весь выпрямитель.
Для проверки обмотки статора нужен тот же прибор. Замеряется сопротивление между крепежами выпрямительного блока. Если контакты между ними отсутствуют, нужно заменить либо обмотку, либо весь генератор.
Сам генератор нередко выходит из строя в связи с износом щеток. Для их проверки нужно снять щеточный узел и замерить длину элементов. Если она равняется 5 мм и меньше, щетки подлежат замене.
Практически все указные выше узлы системы при выходе из строя заменяются, поскольку ремонту не подлежат. Только некоторые из неисправностей генератора можно устранить, но сделать это может только квалифицированный автоэлектрик.
Хуже всего, если проблемы с подзарядкой возникли в пути. Из-за отсутствия подзарядки АКБ, она в конечном итоге полностью разрядится. И даже если удастся найти причину поломки и устранить ее, то запустить мотор стартером уже не получиться. Завести ВАЗ-2017 с севшим аккумулятором можно будет только с буксира или «толкача».
Устранение неисправностей
Для начала нужно зачистить клеммы АКБ и внутренние поверхности клемм проводов на аккумуляторе. Если это не дало результата, замеряется напряжение на выходе генератора (клемма «30») относительно «массы» при работающем двигателе (частота вращения коленвала 1000-1200 об/мин). Если напряжение заметно отличается, зачищается контакт клеммы «30» с проводом, прозванивается сам провод от генератора до АКБ. В крайнем случае меняется этот провод.
Контрольная лампа и датчик (бортовой вольтметр) показывают наличие заряда, а аккумулятор сел, но проверка мультиметром показывает на клеммах АКБ нормальное напряжение 13,6-14,2 В. При включении большой нагрузки (например, дальнего света фар) стрелка датчика падает в белый сектор шкалы.
Такие симптомы могут быть при слабом натяжении ремня генератора. Нужно измерить натяжение (при усилии на ремень в 10 кгс прогиб не должен быть более 12-17 мм), и если натяжение слабое, ремень натягивается или заменяется.
Причиной также может быть пробой одного из отрицательных диодов, перегорание одного из положительных диодов выпрямителя или обрыв одного из фазных обмоток статора. При неработающем двигателе проверяются отрицательные диоды: отсоединяется клемма «+» АКБ от сети автомобиля и подсоединяется к ней контрольная лампа. Ножкой лампы притрагиваются к каждому из трех болтов крепления выпрямительного блока генератора. Если лампа горит, соединенный с болтом отрицательный диод пробит.
Для проверки положительных диодов подсоединяется клемма «+» и отсоединяется от кузова клемма «-», к которой подсоединяется контрольная лампа. Снова ножкой лампы притрагиваются к каждому из трех болтов крепления выпрямительного блока генератора. Горение лампы тоже означает пробой положительного диода. Если есть мультиметр, просто замеряют сопротивление диодов в полярности, в которой диод должен быть заперт: для отрицательных диодов «+» к болтам, а «-» — к корпусу, для положительных диодов «+» к клемме «30» генератора, а «-» — к болтам. Диодный выпрямитель с пробитым диодом заменяют полностью.
Обрыв одной из веток обмотки статора проверяется путем их прозванивания мультиметром или «контролькой» с аккумулятором между двумя болтами крепления выпрямительного блока. Отсутствие контакта какой-либо обмотки с каждой из двух оставшихся говорит о ее обрыве, а генератор подлежит ремонту или замене.
Проверь щетки генератора
Еще одной причиной может быть износ щеток генератора. Вынимается щеточный узел с РР. Если щетки длиной менее 5 мм, узел меняется на новый. Если щетки не изношены, следует осмотреть их на возможность перекоса и «залипания» в колодцах корпуса.
Лампа заряда при включении зажигания не загорается. Не работает датчик заряда и другие контрольные приборы. Генератор зарядки не давал.
Причина данной неисправности — перегорел предохранитель F10 (10 А). Если после замены ничего не изменилось, ищут причины в замке или реле (если оно установлено) зажигания.
При включении зажигания не горит контрольная лампа. Датчик заряда и другие контрольные приборы работают. Генератор зарядки не дает.
Отсоединяется провод от штекера «61» генератора и замыкается на «массу». Если при включенном зажигании горит лампа — неисправна обмотка возбуждения генератора или нет контакта в самом штекере. Зачищаются поверхности штырьков, поджимаются загибы разъемов штекера, соединяются. Проверяется снова и если лампа заряда опять не горит, зачищаются штекеры Ш5-Ш10 монтажного блока и штырьки в разъеме колодки с щитком приборов. Если результата нет, значит, перегорела сама лампа. Для замены лампочки снимается щиток приборов, сзади щитка вынимается патрон, меняется лампа.
Лампа АКБ при включении зажигания загорается. При работе двигателя на холостых оборотах тускло горит лампа заряда, пропадает зарядка или нет зарядки совсем.
Причиной может быть плохой контакт штырька колодки соединения провода к щитку приборов. Он крепится на заклепке и часто окисляется. Если припаять его к дорожке платы, эта неисправность устраняется. Также неплотный контакт в местах соединения по пути провода от щитка до штекера «61» генератора дает такие же симптомы.
Если обнаружили, что на вашем ВАЗ 2107 нет зарядки аккумулятора, меры нужно принимать немедленно. Дальнейшая эксплуатация автомобиля может привести к разряду батареи. Вам придется либо искать попутчика, согласного взять машину на буксир, либо звонить в эвакуационную службу.





























