Модификации авто ВАЗ-2107
ВАЗ-2107. Базовая версия седана, с 8-клапанным карбюраторным двигателем ВАЗ-2103, объемом 1,5 литра
ВАЗ-2107-20. Тот же ВАЗ-2107, но с инжекторным двигателем ВАЗ-2104 объемом 1.5 литров соответствующий экологическому стандарту Euro-2.
ВАЗ-2107-71. Автомобиль для Китайского рынка оснащался двигателем ВАЗ-21034, объемом 1,4 литра и мощностью 66 лошадиных сил, специально заточенный под бензин А-76. Поршни были взяты с ВАЗ-2108.
ВАЗ-21070. Модификация автомобиля с 8-клапанным, карбюраторным двигателем ВАЗ-2103, объемом 1,5 литра.
ВАЗ-21072. Модификация с 8-клапанным карбюраторным двигателем ВАЗ-2105, объемом 1,3 литра.
ВАЗ-21073. Экспортная модификация для европейского рынка, на которую устанавливался инжекторный двигатель объемом 1,7 литра и мощностью 84 лошадиных сил. Двигатель данного автомобиля обладал каталитическим нейтрализатором, который удовлетворял требованиям о защите окружающей среды.
ВАЗ-21074. Модификация с 8-клапанным, карбюраторным двигателем ВАЗ-2106, объемом 1,6 литра.
ВАЗ-21074-20. Модификация с инжекторным двигателем ВАЗ-21067-10 объемом 1,6 литра, который соответствует экологическому стандарту Euro-2
ВАЗ-21074-30. Как и предыдущая модель, но с двигателем ВАЗ-21067-20, который соответствует экологическому стандарту Euro-3
ВАЗ-210740. Модификация 2010 года выпуска, оснащенная инжекторным двигателем ВАЗ-21067 с катализатором. Объем двигателя 1,6 литра, мощность 72,7 лошадиных сил.
ВАЗ-21076. Экспортная модификация с карбюраторным двигателем ВАЗ-2103.
ВАЗ-21077. Экспортная модификация с правым рулем для рынка Великобритании. На автомобиль устанавливался карбюраторный двигатель ВАЗ-2105, объемом 1,3 литра.
ВАЗ-21078. Еще одна экспортная модификация для Великобритании, но с карбюраторным двигателем ВАЗ-2106, объемом 1,6 литра
ВАЗ-121079. Модификация разработанная специально для нужд МВД и КГБ, оснащалась мощным, роторно-поршневым двигателем ВАЗ-413, объемом 1,3 литра и мощностью 140 лошадиных сил.
ВАЗ-2107 ЗНГ. Автомобиль оснащенный 8-клапаннм, инжекторным двигателем ВАЗ-21213, объемом 1,7 литра.
Указатели поворотов включаются подрулевым переключателем. Режим аварийной сигнализации (мигают все указатели поворотов) включается выключателем, установленным на рулевой колонке.
С 1995 г. в конструкции выключателя изменена схема подключения контрольной лампы и ликвидированы выводы «5» и «6».
Реле аварийной сигнализации должно обеспечивать мигание ламп указателей поворота с частотой 90±30 в минуту при температуре окружающего воздуха от –20 до +50° С и напряжении от 10,8 до 15 В.
При перегорании одной из ламп указателя поворота частота мигания контрольной и оставшихся ламп удваивается.

Реле установлено в салоне на передней панели за щитком приборов

Схема включения аварийной сигнализацией и сигналами поворотов представлена на рисунке 2
Симптомы неисправности реле поворотов
Поворотники, как и реле, обеспечивающее их корректную работу, дают возможность свести к минимуму риски возникновения
дорожно-транспортных происшествий при выполнении каких-либо маневров. Именно поэтому нужно постоянно поддерживать их исправное состояние и своевременно устранять любые неисправности.
На выход из строя реле поворотов могут указывать следующие симптомы, которые реально выявить даже без наличия опыта и проведения диагностических работ:
- поворотники не мигают, а горят в постоянном режиме. Это указывает на поломку электромагнита, который заклинило в одном из двух положений. Скорее всего, может потребоваться замена реле;
- лампы поворотников мерцают слишком быстро или, напротив, чересчур медленно. Данная проблема может быть вызвана неправильно выбранной мощностью источников света, однако проверить работоспособность реле не помешает;
- поворотники не срабатывают вообще. Вполне возможно, причиной поломки является перегорание лампочек, обрыв электрического контакта или выход из строя предохранителя. Но если все эти детали работают нормально, проблема кроется в реле поворотов.
Узнать, что устройство не работает, совсем несложно. Если при включении поворотников не слышно характерных щелчков, то, скорее всего, реле отказало и требуется его срочная замена.
Расположение реле поворотов в автомобилях ВАЗ-2107
Чтобы легко и быстро устранять любые неисправности реле поворотов ВАЗ-2107, важно знать, где стоит это устройство. Его расположение зависит от модификации данной модели автомобиля:
- в машинах с инжекторными двигателями реле размещается в подкапотном пространстве, в специально предназначенном монтажном блоке;
- в карбюраторных «семерках» реле поворотов может находиться непосредственно в салоне, за приборной панелью. В данном случае для получения доступа к нему потребуется демонтировать торпеду, что займет значительно больше времени.
Если реле поворотов будет стоять за приборной панелью, можно попытаться предельно аккуратно поддеть ее с помощью отвертки и максимально вытянуть на себя.
Провода подключения электроприборов
| Тип подключения | Сечение, мм 2 | Цвет изоляции |
| Минусовая клемма АКБ – «масса» автомобиля (кузов, двигатель) | 16 | Чёрный |
| Плюсовой вывод стартера — аккумулятор | 16 | Красный |
| Положительный контакт генератора — плюс АКБ | 6 | Чёрный |
| Генератор — разъем чёрного цвета | 6 | Чёрный |
| Клемма на генераторе «30» – колодка МБ белого цвета | 4 | Розовый |
| Разъем стартера «50» – реле его запуска | 4 | Красный |
| Реле пуска стартера — чёрный разъем | 4 | Коричневый |
| Реле включения зажигания — разъем чёрного цвета | 4 | Голубой |
| Вывод замка зажигания «50» – голубой разъем | 4 | Красный |
| Разъем замка зажигания «30» – зелёный разъем | 4 | Розовый |
| Штекер правой фары – «масса» | 2,5 | Чёрный |
| Штекер левой фары — голубой разъем | 2,5 | Зелёный, серый |
| Вывод генератора «15» – разъем жёлтого цвета | 2,5 | Оранжевый |
| Разъем правой фары – «масса» | 2,5 | Чёрный |
| Разъем левой фары — белый разъем | 2,5 | Зелёный |
| Электровентилятор радиатора – «масса» | 2,5 | Чёрный |
| Вентилятор радиатора — красный разъем | 2,5 | Голубой |
| Вывод замка зажигания «30/1» – реле включения зажигания | 2,5 | Коричневый |
| Контакт замка зажигания «15» – одноконтактный разъем | 2,5 | Голубой |
| Правая фара — разъем чёрного цвета | 2,5 | Серый |
| Разъем замка зажигания «INT» – чёрный разъем | 2,5 | Чёрный |
| Шестиконтактная колодка подрулевого переключателя – «масса» | 2,5 | Чёрный |
| Двухконтактная колодка подрулевого выключателя — лампа подсветки бардачка | 1,5 | Чёрный |
| Лампа подсветки бардачка — прикуриватель | 1,5 | Чёрный |
| Прикуриватель — голубой разъем блока | 1,5 | Голубой, красный |
| Обогреватель заднего стекла — разъем белого цвета | 1,5 | Серый |
Белые поворотники в фары ВАЗ-2107, 2105 и 2104

Мы будем использовать от него именно стекло с рассеивателем, оно практически идеально подходит вместо штатного оранжевого стекла поворота.
Итак, фару мы уже сняли, стекло из нее вырезали, приступам непосредственно к доработке, нам нужно срезать вот этот вот лишний кусок пластика со штатного отражателя поворота
Внимание — старайтесь не прикасаться к внутренней поверхности отражателя, потом отпечатки практически невозможно ликвидировать:. Затем даем всей этой конструкции высохнуть около получаса и ставим всю эту кухню на место, устанавливаем и закрепляем поворотник, вклеиваем в фару стекло:
Затем даем всей этой конструкции высохнуть около получаса и ставим всю эту кухню на место, устанавливаем и закрепляем поворотник, вклеиваем в фару стекло:
Обматываем все скотчем, фиксируем стекла и даем высохнуть сутки:
Поздравляем, фары готовы к установке на машину:
Назначение устройства
Изначально следует отметить, что повороты функционируют не так, как прочие световые приборы на автомобиле. Они работают в прерывистом режиме, что обеспечивается посредством такого изделия, как реле(прерыватель) поворотов ВАЗ-2107.
Следует также отметить и тот факт, что помимо прерывистого режима работы, реле поворотов издают звуковые сигналы в виде щелчков, которые помогают водителю. По этим щелчкам водитель понимает, что устройство функционирует в данный момент.
Помимо того, что прерыватель отвечает за функционирование световой сигнализации, необходимой для маневров, так он еще и позволяет им работать в режиме аварийки. На ВАЗ-2107 применяется электронное реле, частота мигания ламп которого зависит от настройки электронной схемы. Выше представлено фото современного электронного реле поворотов, которое используется на автомобилях ВАЗ-2107.
Диагностика неисправностей поворотников
Если однажды поворотники перестают функционировать, то это говорит о том, что пришло время провести диагностику автомобиля. Для этого нет необходимости ехать на СТО, а можно выполнить все в домашних условиях. О том, что механизм перестал функционировать, говорят следующие признаки:
- При включении поворотники горят, но при этом не происходит их мерцание. Такой вид поломки связан непосредственно с выходом из строя реле. Для исправления неисправности требуется заменить прерыватель.
- Ускоренное или замедленное мерцание поворотников. Ускоренное мерцание говорит о том, что перегорела спираль одной из ламп. Медленное мерцание свидетельствует о том, что в схеме подключена минимум одна лампа большей мощности, чем рекомендуется. Многие автомобилисты с появлением современных светодиодных ламп стремятся установить их на авто. При установке светодиодных ламп в поворотники наблюдается слишком быстрое их мерцание, это связано с их низкой потребляемой мощностью.
- Устройства вовсе не функционируют. Причина может заключаться в неисправности реле, предохранителя, подрулевого переключателя или кнопки включения аварийки. Схема подключения выполнена так, что питание поворотников проходит через кнопку включения аварийки. Если кнопка неисправна, то и повороты не будут функционировать.

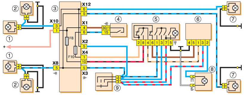
Для наглядности представим схему указателей поворотов и аварийки для семерки. В нее входят:
- блок-фары с лампочками указателей поворота;
- указатели поворота расположенные на передних крыльях авто(боковые);
- монтажный блок;
- замок зажигания;
- кнопка аварийки;
- рассматриваемое реле;
- лампочки поворотников расположенные в задних фонарях;
- лампочка на панели приборов, сигнализирующая о включении поворотов;
- подрулевой переключатель.
Где найти реле на ВАЗ-2107
Где же находится устройство, отвечающее за прерывистое функционирование сигнала поворотов? Располагаться релюшка может в двух местах на ВАЗ-2107: в монтажном блоке пли за приборной панелью.
В карбюраторных «семерках» изделие находится за приборной панелью в салоне автомобиля, а в инжекторных – на монтажном блоке, который находится под капотом. Конструктивно прерыватель представляет собой коробочку с контактами снаружи. Изделие не подлежит ремонту, поэтому при выходе из строя требуется осуществить его замену.
Особенности замены прерывателя
Если обнаружено, что реле поворотов вышло из строя, то требуется осуществить его замену. Изделие, находящееся в монтажном блоке требуется поддеть и демонтировать. Если оно неисправно, в чем обязательно требуется убедиться, то вместо него следует установить новое. Так осуществляется замена для инжекторных “семерок”. Выполнить же замену на карбюраторных «семерках» намного сложнее. Процесс замены выглядит так:
- Нужно снять приборную панель, поддев ее при помощи отвертки.
- После этого пробуем вытянуть ее на незначительное расстояние, если имеется такая возможность. Если длина проводов не позволяет вывести панель на некоторое расстояние, то соединения следует разъединить.
- Отвинтить трос привода спидометра.
- Найти визуально реле, и отсоединить от него контактные провода.
- Также от него отсоединяем «массу» после чего устройство демонтируем.
- Вместо старого прерывателя поворотов следует установить новое реле.
- В завершении собрать и подключить все демонтированные детали в порядке обратном снятию.
Подводя итог, следует отметить, что прерыватель является одним из важнейших узлов каждого автомобиля, и необходимо следить за его исправностью. От него напрямую зависит безопасность дорожного движения.
Руководство по демонтажу и замене
Если вы не знаете, как снять и как разобрать монтажное устройство или предохранительные элементы и как заменять старый блок на новый, то рассмотрим по очереди каждую инструкцию.
Самостоятельно меняем плавкие предохранители
Прежде чем приступить к замене предохранительных устройств, расположенных в основном блоке, необходимо выключить зажигание и клеммы от аккумуляторной батареи под капотом.
Процедура замены осуществляется так:
- Найдите место установки устройства. На пластиковой накладке блока имеются фиксаторы, на них следует нажать. Сняв накладку, вы сможете увидеть схему, нанесенную на обратную сторону, здесь указывается месторасположения и назначение всех применяемых элементов.
- Затем нужно выявить, какое устройство вышло из строя и подлежит замене. Иногда определить поломку можно визуально — сам компонент может быть перегоревший, иногда в нем явно видна оборванная нить.
- Под крышкой девайса вы увидите пинцет, его можно использовать для снятия устройства. При отсутствии пинцета можно взять пассатижи.
- Извлеките выгоревший элемент и замените его на новый, после чего установите на место крышку и подключите клеммы аккумулятора (видео снято и опубликовано каналом AVTOCLUB_22).
Замена плавких предохранителей противотуманных фар
При поломке противотуманной оптики следует в первую очередь произвести диагностику работы устройства. Компонент расположен в салоне машины.
Для проверки и замены выполните следующие действия:
- Сначала вам потребуется крестовая отвертка, используйте ее для снятия двух переключателей, расположенных в средней части консоли, в районе установки аудиосистемы.
- Используя отвертку, вам необходимо будет отжать два крепления.
- Затем снимите пластиковую вставку.
- Теперь вы сможете извлечь корпус предохранителя. Демонтируйте защитную крышку устройства и произведите замену детали на новую.
1. Снимите два переключателя отверткой.
2. Нажмите на крепления колодки.
3. Извлеките вставку и достаньте устройство.
Меняем блок предохранителей
Снятие и замена блока с компонентами производится так:
- Для начала откройте моторный отсек своей машины и выполните демонтаж корпуса воздухофильтра. Выкрутите гайки, которые фиксируют корпус, крестообразной отверткой.
- Затем под девайсом вы сможете увидеть штекер с кабелями, подсоединенными к девайсу, вам нужно отключить его. На самом корпусе изделия нанесена маркировка в цветах, она соответствует цвету подсоединенных разъемов. С учетом этих штекеров можно избежать необходимости маркировки кабелей.
- После этого следует залезть в салон транспортного средства и снять полочку, которая находится под контрольным щитком. После этого открутите болты, которые держат корпус бардачка.
- Далее, отключите штекер с кабелями, подсоединенными к разъемам непосредственно устройства. Сделав это, вы сможете увидеть цветную маркировку.
- Используя гаечный ключ, выкрутите болты, которые крепят сам блок. Учтите — самый крайний винт на корпусе скрыт, поэтому вы не сможете его сразу увидеть.
- В конце снимите блок с устройствами, теперь девайс можно заменить. Монтаж нового девайса, а также сборка компонентов осуществляется в обратном порядке.
В монтажном блоке предохранителей собраны некоторые элементы управления электрооборудованием автомобиля марки ВАЗ и большинство плавких предохранителей, защищающих электрические цепи от короткого замыкания и перегрузки. Располагается он в подкапотном пространстве с левой стороны, сразу на металлической перегородке между отсеком двигателя и кабиной. Вот фото (верх лево):

↑ Устройство блока предохранителей ВАЗ-2107
Внешняя оболочка блока выполнена из пластика. На обратной стороне верхней крышки выгравирована схема с расположением элементов и их назначением в виде символов. Стандартные номиналы предохранителей ВАЗ 2107 стандартизованы, различаются окраской корпуса:
- 7,5А – коричневый цвет,
- 10А – красный цвет,
- 15А – синий цвет,
- 20А – жёлтый цвет.
Внутренность старого блока состоит из двух печатных плат, смонтированных параллельно. Платы соединены между собой перемычками. На платах в один ряд расположены предохранители. Стыковка с сетью производится посредством разъёмных соединений. Для исключения ошибки в подключении разъемы выполнены в разных цветах.
https://youtube.com/watch?v=jfm43ddhaEk
В новом блоке имеется одна плата блока предохранителей с расположением защитных элементов в два ряда, что упрощает их обслуживание. Цилиндрические предохранители заменены плавкими прозрачными вставками, имеющие штыревой контакт. В случае перегорания визуально наблюдается разрыв контакта. Для проведения замены вставки имеется пластмассовый съёмник, закреплённый на корпусе.
Назначение элементов блока предохранителей
Контроль состояния предохранителей и своевременная замена пришедших в негодность деталей снижает вероятность появления серьезных проблем, влекущих более серьезный ремонт. Каждый предохранитель намечен для обслуживания одной или нескольких электрических цепей.
Повреждение плавкой вставки влечет за собой прекращение питания конкретного устройства. Знание функционального назначения каждого элемента блока предохранителей обеспечивает нахождение и устранение неисправности.
Распиновка блока предохранителей
| Номер предохранителя с номинальным током | Направление защитного действия |
| F1 | Включение тыльного освещения при включении задней передачи. Ответственность за работу электрических двигателей отопителя салона и стеклоомывателя заднего стекла. Обеспечение работы реле подогрева заднего стекла с подключением на обмотку. |
| F2 | Ответственность за работу электрических двигателей очистителя и стеклоомывателя ветрового стекла и фар. Контроль работы дворников лобового стекла. |
| F3/F4 | Резерв |
| F5 | Обеспечение работоспособности нагревательного элемента системы обогрева стекла заднего вида. Ответственность за его реле и сопутствующие контакты. |
| F6 | Обеспечение работы часов, прикуривателя и штепсельной розетки для переноски |
| F7 | Ответственность за работу электрического двигателя, запускающего вентилятор системы охлаждения радиатора. Обеспечение подачи звукового сигнала. |
| F8 | Обеспечение работы поворотных указателей в режиме аварийной сигнализации и связанных с ними выключателем и реле-прерывателем. |
| F9 | Обеспечение работы противотуманного освещения. Стабилизация напряжения генератора Г-222 при нахождении его в комплектации. |
| F10 | Работа тахометра и вольтметра. Обеспечение световой индикации по резерву горючего, поворотов, температуре в системе охлаждения. Контроль заряда аккумуляторной батареи. Контроль аварийного состояния тормозной системы, запирания воздушной заслонки карбюратора, включения стояночного тормоза. Контроль цепей управления генератором, вентилятором, электропневмоклапаном. |
| F11 | Обеспечение освещения салона, а также задних тормозных фонарей в режиме торможения и стоп-сигнала. |
| F12 | Функционал дальнего света правой фары. Контроль обмотки на включение реле очистителей фар. |
| F13 | Функционал дальнего света левой фары и сигнализации включения дальнего света. |
| F14 | Габаритное освещение левой фары и правого тыльнего фонаря. Обеспечение работы подкапотного фонаря и подсветки на номерной знак. |
| F15 | Габаритное освещение правой фары и левого тыльнего фонаря. Лампочка подсветки приборной панели. Обеспечение освещения зон прикуривателя и вещевого ящика. |
| F16 | Функционал ближнего света правой фары. Контроль обмотки включения реле очистителя фар. |
| F17 | Функционал ближнего света левой фары. |
Предохранители старой комплектации рассчитаны на номинальный ток в 8А. В следующей версии это значение составляет 10А. Исключение составляет F7 с величинами16А и 20А соответственно.
Замена реле поворотников и аварийной сигнализации (+ Видео)
После обнаружения любых из перечисленных неисправностей, обязательно следует замена реле указателей поворота. В зависимости от модификации (карбюратор или инжектор), расположение реле-прерывателя может заметно отличаться. Карбюраторные автомобили ВАЗ 2107 подразумевают монтаж реле за приборной панелью в салоне автомобиля. Однако, начиная с инжекторного двигателя, реле может располагаться в монтажном блоке в подкапотном пространстве.

Для того, чтобы снять реле, находящееся в монтажном блоке – достаточно просто поддеть его и потянуть вверх. После этого, на его место устанавливается новый элемент.

В случае с реле, находящимся за панелью дела обстоят намного сложнее. Перед снятием реле необходимо поддеть приборную панель с помощью отвертки и снять ее. Если позволяет длина проводов, то можно оттянуть ее на некоторое расстояние, но если они слишком короткие, рекомендуется вытащить штекеры и . Панель отложите в сторону, а от реле отсоедините контактные провода. Теперь открутите «массу» от прерывателя и снимите его. На место старого реле установите новое и вставьте в него контактные провода. После этого, проведите сборку приборной панели и установите ее на штатное место. На этом замена реле поворотников завершена.
Это все, что необходимо знать о реле поворотников.
Для установки аварийки на ВАЗ 2101 своими руками нам понадобиться: кнопка аварийки от шестерки и фишка для нее, реле поворотов шестерки, шести контактная фишка для реле поворотов.
Вот схема включения поворотов ВАЗ 2101:

1 – подфарники;2 – боковые указатели поворота;3 – аккумуляторная батарея;4 – генератор;5 – выключатель зажигания;6 – блок предохранителей; 7 – реле-прерыватель указателей поворота;8 – контрольная лампа указателей поворота;9 – переключатель указателей поворота;10 – задние фонари
А это схема включения поворотов и аварийной сигнализации ВАЗ-2106:

1 — подфарники; 2 — боковые указатели поворота; 3 — аккумуляторная батарея; 4 — генератор; 5 — выключатель зажигания; 6 — основной блок предохранителей; 7 — дополнительный блок предохранителей; 8 — реле-прерыватель аварийной сигнализации и указателей поворота; 9 — контрольная лампа указателей поворота в спидометре; 10 — выключатель аварийной сигнализации; 11 — задние фонари; 12 — переключатель указателей поворота в трехрычажном переключателе.
А это схема подключения реле поворотов ВАЗ-2106 (вид на контакты):

Подключение выполняем в следующей последовательности:
1. Отсоединяем старое реле поворотов (бочонок) и подключаем голубой провод к 3 выводу нового реле, это контролька на щитке.
2. Подсоединяем к 4 выводу нового реле кусочек провода, при креплении нового реле прикрутим его к массе.
3. Белый с черным провод (иногда фиолетовый) подсоединяем ко 2 выводу реле и к 7 выводу кнопки аварийки (номера на кнопке написаны сзади).
4. Оранжевый провод (зажигание) добавляем и подсоединяем к выводу №2 кнопки.
5. 1 вывод реле поворотов соединяем с выводом №4 кнопки аварийки.
6. На 8 вывод кнопки подаем постоянное питание, например с первого предохранителя.
7. 1 вывод кнопки подключаем к голубому проводу в фишке тубуса.
8. 3 вывод кнопки подключаем к голубому с черной полосой в фишке тубуса.
Есть еще такой вариант.На рынке продается готовая проводка для подключения аварийной сигнализации:


:Красный — к белому с черной полосой (или фиолетовый), это нагрузка.Желтый — к голубому (это контролька).Синий — к оранжевому (зажигание).Коричневый с красной полосой — постоянный плюс (например на первом предохранителе).Белый и коричневый с белой полосой к фишке тубуса (левый и правый повороты).
Крепим реле поворотов на место старого, не забыв про массы. Вырезаем круглое отверстие под кнопку аварийки (идеально подходит отверстие насоса омывателя, но не на всех моделях). Если у Вас есть желание как-то преобразить автомобиль, советую своими руками, выглядит просто супер!
Реле поворотов ваз 2114 это установленный в монтажном блоке электронный элемент, который отвечает за формирование и функционирование прерывистого светового сигнала при обозначении правого или левого сигнала поворота. Кроме того, изделие обеспечивает периодическое и одновременное моргание поворотников в режиме аварийной сигнализации.
Большинство устройств снабжаются несколькими контактами, что дает возможность управления разнообразными электрическими цепями.
Наибольшую популярность и распространение получили изделия электромагнитного типа.
Замена реле зажигания на ВАЗ 2107
Для самостоятельной замены реле зажигания не потребуется специального инструмента. Можно легко обойтись теми приспособлениями, что есть в наборе у любого водителя:
- отвёртка с прямым и тонким лезвием;
- отвёртка с крестовым лезвием;
- гаечный ключ на 10.


Порядок работы как для инжекторных, так и для карбюраторных моделей ВАЗ 2107 будет одинаковым. Для создания безопасных условий при замене рекомендуется перед началом работ снять отрицательный провод от АКБ машины. Далее действовать по схеме:
- Снятие щитка приборов начинать с разжатия отвёрткой фиксаторов.
- Снять рукоятки с рычагов, которые держат щиток.
- Вытащить сопла воздуховода, поддев каждый из них лезвием отвёртки.
- Сразу же вслед за соплами потянуть на себя и вытащить переключатель режимов отопителя, предварительно отсоединив от него провода.
- Далее снять наконечники магистралей с этого переключателя.
- Используя отвёртку, вытянуть саморез и его заглушку.
- Выкрутить ключом на 10 гайку крепления ручки сброса пробега машины.
- Вогнать ручку максимально глубоко внутрь приборной панели.
- Затем извлечь правый край щитка.
- Отсоединить гайку, которая фиксирует тросик привода спидометра автомобиля.
- Снять шланг от штуцера.
- Снять колодки проводов, которые идут к панели.
- После всех этих работ можно снимать приборный щиток.
- Реле зажигания находится сразу же за ним, на специальном кронштейне. Ключом на 10 открутить фиксирующую гайку и снять реле.
- На место вышедшего из строя устройства установить новое, монтажные работы выполнять в обратной последовательности.
Видео: порядок замены реле
Можно самостоятельно восстановить работоспособность своего автомобиля, действуя обычными отвёртками и гаечными ключами. Все виды работ с реле зажигания доступны даже водителю-новичку, поэтому не стоит лишний раз платить специалистам СТО, чтобы разобраться с реле.





























