Свечи зажигания.
На Нива Шевроле свечи зажигания тесно связаны с предыдущим устройством. И при их неисправности возможны все те же проблемы, что описаны выше. Особенно часто свечи выходят из строя в зимний период.
Это связано с тем, что авто используется не так часто и в основном для коротких поездок. Из-за низкой температуры окружающей среды свечи не прогреваются до максимальной температуры, при которой они самоочищаются от нагара.
В случае появления проблем необходимо своевременно заменить свечи, чтобы это не повлияло на работоспособность других компонентов системы. Свечи зажигания для Нивы Шевроле необходимо приобретать специальные, для восьми-клапанных инжекторных двигателей
При покупке следует обращать внимание на зазор между электродами
Он должен быть не больше 1,5 мм. Если данное расстояние больше, то это будет сказываться на продолжительности работы свечи.
Новый образец, автотрейд

В городе Калуга, у нас находится несколько заводов связанные с автомобильной электроникой: Автотрейд, Автоэлектроника, КЗТА и еще несколько торговых марок. Повысить качество их заставило строительство завода Фольксваген. На очень многих импортных заводах по сборке авто, есть условие: постепенное внедрение на конвейер запчастей, сделанных в России. И концерн VAG решился на «русские датчики и часть электроники». Конкуренция и жесткий входной контроль, сыграли свою положительную роль. Я считаю, что качество некоторых калужских фирм выросло на порядок. Весь этот рассказ был к тому, что модуль зажигания нива выпускает фирма Автотрейд. По качеству и характеристикам изделие занимает промежуточное место между катушкой СОАТЭ и Bosch. На рынке также присутствует «китай», всех видов и мастей, как спрятанный в русские коробочки, так и в родном виде, но ничего достойного я не встречал. Я написал о тех, с которыми работал и которые ставил своим клиентам, со сроком гарантии несколько месяцев, без ограничения пробега.
Рекомендация
Если вы решили поменять на своей машине модуль зажигания, сделайте двигателю подарок, замените также высоковольтные провода и комплект свечей.
Еще одно небольшое видео, в котором я расскажу о простом измерении мощности искры и какие модули зажигания я сейчас предлагаю своим клиентам.
Где находится МЗ
Местоположение модуля зажигания «Нивы-Шевроле», выбрано не очень удачно. Он закреплен на нижней части блока цилиндров. Таким образом модуль подвержен воздействию сразу двух негативных факторов:
- Коррозии. Этому способствует низкое расположение. В процессе эксплуатации влага часто попадает на МЗ.
- Высокой температуры. Крепление модуля на блоке цилиндров вынуждает его работать при температурах, близких к 100 градусам.
Второй фактор наиболее критичен для МЗ. Производитель гарантирует нормальную работу устройства до 120 С°. Такая температура под капотом редкость. Но постоянное воздействие, пусть даже более низких значений, существенно сокращает срок службы МЗ. Поэтому добросовестные владельцы переносят модуль в место с более щадящими условиями. Чаще всего, на перегородку моторного отсека.

Как проверить модуль зажигания на Ниве Шевроле – порядок проверки
Проверить состояние узла поможет мультиметр. Не обязательно использовать дорогие приборы, обладающие высокой точностью. Главное – наличие цифровой индикации, тогда любые измерения упрощаются.

Сначала необходимо убедиться в том, что проводка устройства сохранила целостность. Для этого действия выполняют, соблюдая следующий порядок:
- В положение 200 Ом устанавливают переключатель на задней панели прибора.
- От модуля отключают разъем, избавляются от проводов высокого напряжения.
- Между средним и крайним контактом клеммных колодок последовательно измеряют напряжение.
- Показания прибора должны находиться в пределах 5 Ом. Подогреватель, к примеру, работает при сохранении других показателей.
Сопротивление вторичной обмотки проверяют на следующем этапе. Здесь надо перевести переключатель в положение 20 К. Щупы подсоединяют к проводам с соответствующим напряжением. 5,4 Ом – стандартное показание для приборов в этой ситуации. Иначе подключение невозможно грамотно организовать.
Диагностика ошибок Шевроле Нива
Самым надежным способом выявить, что с машиной не так является диагностика электроприборов и оборудования. Процедура позволяет с точностью выявить поломки и быстро починить авто.
В автомобиле имеется два способа обнаружить проблему.
Самодиагностика ВАЗ 2123
Простейшая процедура предоставляет автомобилисту самостоятельно установить поврежденный участок и устранить поломку. Благодаря удачной прошивке бортового компьютера некоторые ошибки выводятся на штатный дисплей. При этом, самостоятельно ничего не происходит – потребуется выполнить несколько действий вручную:
- заглушить двигатель и выключить зажигание;
- найти на приборке клавишу сброса суточного пробега и нажать ее;
- одновременно с этим провернуть ключ в личинке пуска;
- если все сделано правильно, все индикаторы на приборке загорятся, а стрелки приборов сделают полный круг и вернутся на место;
- при этом на встроенном дисплее отразится версия прошивки бортового компьютера;
- следующее нажатие на клавишу выведет на экран ошибку сети.

- 0 – ошибка 0 Нива Шевроле свидетельствует о том, что проблемы в бортовых цепях полностью отсутствуют, скорее всего, поломка носит чисто механический характер;
- 1 – стандартная ошибка ЭБУ Нива Шевроле – процессор работает неправильно;
- 2 – у Шевроле Нива ошибка 2 говорит об отсутствии питания на поплавке бензобака;
- 4 – нарушение работы АКБ или генератора, в бортовых цепях обнаружено критическое превышение номинального напряжения свыше 16 вольт;
- 8 – имеет противоположное значение, на Шевроле Нива ошибка 8 говорит о чрезмерном падении напряжения в проводке по причине глубокого разряда аккумуляторной батареи или неисправности генератора;
- 12 – ошибка 12 Шевроле Нива сообщает о поломке контрольного индикатора;
- 13 – нарушена передача сигнала от лямбда-зонда, требуется проверить устройство и магистральные линии питания;
- 14 – на Нива Шевроле ошибка 14 говорит о критической температуре антифриза, системе требуется охлаждение, в противном случае возможно закипание силового агрегата;
- 15 – мотор слишком холодный для возможности нормальной работы, обычно ошибка исчезает после хорошего прогрева или замены датчика;
- 19 – сбой в работе ДПКВ, кодировка выдает неправильную частоту вращения узла;
- 21/22 – положение дроссельной заслонки отличается от расчетных показателей в большую/меньшую сторону;
- 23/25 – воздушная смесь на впускном коллекторе чрезмерно остужена или перегрета;
- 24 – обрыв цепи спидометра, сопровождается отсутствием реакции стрелки прибора на манипуляции водителя;
- 27/28 – неправильное отображение фактического количества выхлопа от расчетного значения;
- 33/34 – ДМРВ, завышены или занижены показатели прибора, относительно фактического состояния системы;
- 35 – неправильная работа мотора на холостых оборотах, требуется проверить правильность настроек смесеобразования;
- 41 – датчик фазораспределения или ДПРВ обнаружен обрыв цепи или получаемые данные ошибочны;
- 42 – обнаружены множественные пропуски зажигания, система отключила подачу топлива в поврежденные цилиндры;
- 43 – сенсор канала детонации выдает ошибку;
- 44/45 – слишком обогащенная/обедненная горючая смесь, требуется проверить топливные магистрали на предмет механических повреждений;
- 49 – вакуумметр вышел из строя или перегружен;
- 51 – ПЗУ отказал, либо имеется пробой силовых кабелей;
- 52 – ОЗУ работает некорректно, повреждено, обесточено;
- 53 – клапан продувки адсорбера неисправен;
- 54 – контроллер октан-корректора обесточен или сломан;
- 55 – расчтеная нагрузка на ДВС отличается от установленной;
- 61 – контроллер количества кислорода в системе впуска передает неверные данные на ЭБУ.
При этом нужно с точностью понимать что, к примеру, когда на дисплее находится ошибка 10, Нива Шевроле говорит водителю о наличии нескольких проблем (стандартные, однозначные коды суммируются).
Также следует знать, что ошибки самодиагностики Нива Шевроле не отображают точного расположения поломки. Кодировки могут показать только участок проводки, где требуется искать причину неисправности. Также, указанные шифровки могут стать следствием программного сбоя после неудачной мойки или отключения аккумуляторной батареи. Для получения более точных данных пользователю необходимо подключить специальный диагностический сканер.
Варианты изготовления свечей:
Для повышения производительности при создании данных изделий применяют некоторые технологические особенности, которые в теории могут увеличить производительность, а как следствие наиболее качественное сгорание топлива:
- Платиновое покрытие. Позволяет увеличивать срок службы до 50 тыс километров пробега за счет того, что поверхность становиться более устойчивой к продуктам горения топливной смеси.
- Многоконтактные свечи. Обычно применяются в автомобилях, которые экплуатируются в регионах с преимущественно низкими температурами. Такие изделия позволяют улучшить запуск непрогретого автомобиля по утрам. В летний период их рекомендуется заменять на обычные.
- voditelauto.ru
- inter-foto-press.ru
- djeeprus.ru
Установка поршня четвертого цилиндра в положение ВМТ такта сжатия
Поршень 4-го цилиндра в положение ВМТ (верхняя мертвая точка) такта сжатия устанавливают для того, чтобы при проведении работ, связанных со снятием цепи привода распределительного вала, не нарушалась установка фаз газораспределения. При нарушении фаз газораспределения двигатель не будет нормально работать.
Так как он работает без масла, стабилизация рулона также не требует обслуживания и безвредна для окружающей среды. Отличительная динамика движения и управляемость: полноприводное рулевое управление в сочетании с спортивным управлением переднего моста.
В рулевом колесе с полным колесом задние колеса достигают пяти градусов. В зависимости от ситуации задние колеса управляются в том же направлении, что и передние колеса, тем самым увеличивая динамику и стабильность. Для спортивных водителей это одна из основных целей динамики движения: нейтральная обработка до предела даже при высокой мощности привода. Специально с динамическим ускорением от углов дополнительный спортивный дифференциал обеспечивает стабильное и точное управление. Переменный крутящий момент между колесами задней оси создает превосходное управление по очереди.
Выставляйте ВМТ по метке на звездочке распределительного вала (при установке по меткам на шкиве коленчатого вала и на передней крышке цепи привода распределительного вала в этом положении может стоять поршень либо 1-го, либо 4-го цилиндра).
| рис. 1 |
После этого убедитесь в совпадении меток на шкиве коленчатого вала и крышке. Если при этом метки вала не совпадают, значит, нарушена установка фаз газораспределения (поршень 4-го цилиндра не установлен в ВМТ). В этом случае необходимо снять цепь привода распределительного вала со звездочки распределительного вала и провернуть коленчатый вал до совмещения меток.
Легкая конструкция — инновационная многослойная конструкция. Корпус спроектирован в инновационной многослойной конструкции: горячие и чрезвычайно прочные листы образуют основу салона, внешняя кожа выполнена из алюминия. Фокус низкий — еще один фактор в спортивном стиле вождения.
Мощная спортивность: внешний дизайн. Все линии и поверхности спроектированы точно и кратко, они подчеркивают ширину автомобиля и, таким образом, прочную общую концепцию. Его выхлопная система открывается в четыре квадратные выхлопные трубы. Фары являются трехмерными и снабжены двойной стрелкой. Камера на внутреннем зеркале анализирует ситуацию с дорожным движением. Основываясь на этой информации, блок управления переключает диоды индивидуально в зависимости от ситуации или уменьшает их по 64 шага каждый.
Проворачивать коленчатый вал можно следующими способами.
1. Приобретите специальный ключ для проворачивания коленчатого вала за гайку крепления шкива. Этим ключом можно проворачивать коленчатый вал и сверху моторного отсека.
2. Включите 4-ю передачу и медленно прокатите автомобиль в нужную сторону до совпадения метки на звездочке распределительного вала с меткой на корпусе подшипников распределительного вала.
Дорожные знаки освещаются с уменьшенной яркостью, и поэтому водитель не ослеплен. Тормозные огни расположены в двух верхних камерах, а внутренняя часть огней пластичная, легкая и элегантная. По желанию: пять или семь мест. Во втором ряду в стандартной комплектации устанавливается трехсекционная спинка с отдельными складными сегментами. Опциональная третья строка включается и выключается электрически.
Больше места в интерьере устанавливает новую запись в сегменте. Насадка для намотки ленты и полосы применения подчеркивают горизонтальность и простор интерьера. Комфортные функции соответствуют классу роскоши. Электрическая задняя дверь — серия. В качестве стандарта предлагается первая ступень расширения, легкая упаковка. Здесь емкостные переключатели управляют светом в дверных карманах и световой индикатор. Кроме того, имеется окружающее освещение. Он включает в себя освещенные дверные пороги и дополнительное контурное освещение на центральной консоли туннеля.
3. Включите 4-ю передачу и вывесите одно из задних колес.
Затем поворачивайте вывешенное колесо в нужную сторону до совпадения метки на звездочке распределительного вала с меткой на корпусе подшипников распределительного вала.
Признаки неисправности
Как уже упоминалось, симптомы неисправности модуля зажигания характерны так же для многих других узлов автомобиля. Почти нет таких признаков, которые напрямую указывают на МЗ. Это существенно осложняет ремонт. Однако при наличии опыта, выводы о неисправности модуля зажигания Нивы Шевроле можно сделать последующим симптомам.
- Не работают сразу два цилиндра. Это единственный признак, который, правда не всегда, но указывает на МЗ. Вероятность этого увеличивается, если одновременно не работают 1 и 4 или 2 и 3 цилиндры.
- «Плавают» холостые обороты.
- Диагностика показывает пропуски зажигания во всех цилиндрах.
- С прогревом двигателя падает его мощность, появляются перебои в работе.
- Загорается сигнализация CHECK ENGIN.
Следует отметить, что полный отказ МЗ, при котором двигатель совсем не запускается, случается очень редко. В основном этот признак неисправности модуля зажигания «Нивы-Шевроле» свидетельствует о повреждении низковольтной части проводки.

Коротко о конструкции
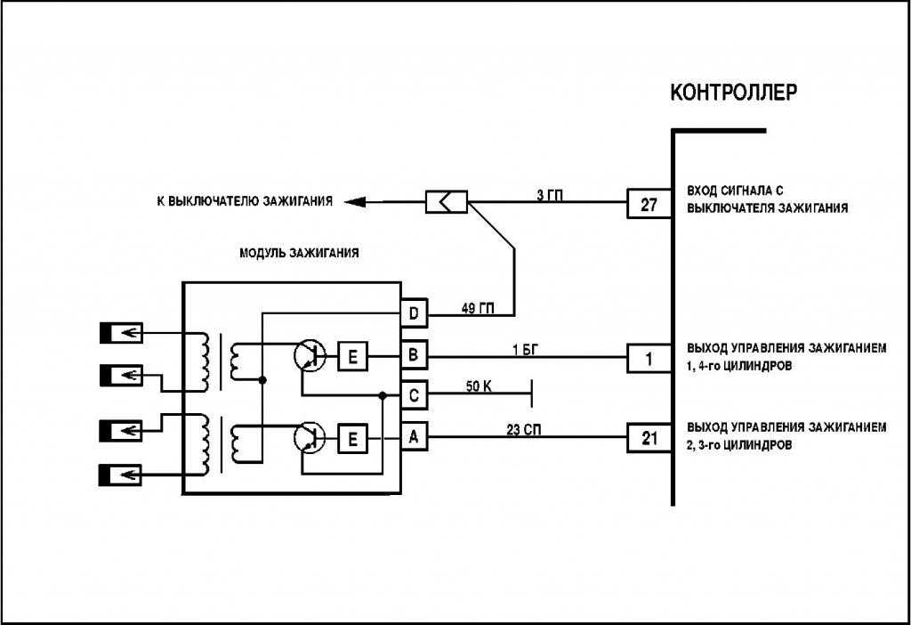
Главное предназначение любого МЗ – преобразование низковольтного сигнала в высокое напряжение, достаточное для нормального искрообразования в цилиндрах. Поэтому конструктивно, модуль зажигания «Нивы-Шевроле» представляет собой импульсный трансформатор. На его вход подается сигнал с электронного блока управления (ЭБУ), с выхода снимается напряжение порядка 20 – 30кВ. Модуль имеет разъем для подключения низковольтной части и четыре гнезда, в которые вставляются так называемые бронепровода.
Высокое напряжение подается сразу на два цилиндра. При этом 90% энергии, уходит на образование искры в том, где заканчивается такт сжатия. Рабочая смесь в нем находится под большим давлением, а значит, имеет высокую проводимость. Таким образом, модуль состоит из двух независимых катушек зажигания.

Как скинуть ошибку двигателя
Начнем с того, что ошибки двигателя могут возникать по разным причинам, так как система управления включает в себя большое количество датчиков и контролирует работу отдельных узлов, систем и механизмов. Также следует учитывать, что разные автомобили могут отличаться с учетом сложности той или иной системы. На одних машинах «чек» загорается, например, только в случае появления серьезных или критических ошибок (сбои в работе ДПРВ, ошибка детонации двигателя когда неисправен датчик детонации и т.п.).
Параллельно с этим check может не гореть в том случае, если возникли проблемы с давлением масла, имеются определенные отклонения от нормы в работе дросселя и т.д. На простых машинах загорается лампочка, на более технологичных авто в аналогичной ситуации появляется ошибка «потеря мощности двигателя» или «ошибка давления масла» в двигателе. По этой причине считывание ошибок двигателя является необходимой диагностической и профилактической процедурой независимо от того, горит «чек» или нет.
Теперь о сбросе. На многих автомобилях, особенно бюджетного сегмента, для сброса ошибки в ЭБУ следует выполнить следующие действия:
- прогреть силовой агрегат до рабочей температуры;
- снять клемму «плюс» с АКБ на 5-15мин, затем подсоединить клемму обратно через указанное время;
- вставить ключ в замок зажигания и повернуть в последнее положение перед запуском ДВС от стартера (лампочки и указатели на приборной панели должны гореть);
- оставить ключ в замке в таком положении на 1 минуту, затем вернуть ключ в исходное положение;
Такие действия в некоторых случаях позволяют удалить ошибки из ЭБУ. Теперь можно запустить двигатель (чек должен погаснуть после запуска) и дать ему поработать на холостых оборотах 2-3 минуты (педаль газа во время работы не нажимать). Теперь следует заглушить двигатель, после чего повторить процедуру запуска и остановки мотора еще пару раз.
Отметим, что подобный способ позволяет убрать «чек» тогда, когда причиной его загорания стала работа мотора с отключенным или неисправным датчиком, заправка неподходящим видом топлива, сбои зажигания по причине неработающих свечей и т.п. Если иначе, возникала неполадка, загорелся чек. Затем водитель обнаружил и устранил причину, после чего сбросил ошибку двигателя.
Для этого нужно воспользоваться специальным диагностическим разъемом, в который подключается дополнительное оборудование. Отметим, что на подавляющем большинстве авто, которые выпускались после «нулевых» годов, имеется стандартный разъем. Указанный разъем получил название OBD2. Местом расположения разъема может быть область возле педального узла, под рулевой колонкой и т.д. Для точного определения необходимо заглянуть в техническое руководство по конкретной модели ТС. На более старых моделях такой разъем может располагаться в подкапотном пространстве и других местах
Обратите внимание, для подключения оборудования в подобном случае может понадобиться специальный переходник
Как выставить зажигание на нива шевроле инжектор
Произведите замену роликов, если есть необходимость. Всю последующую сборку проведите в обратной последовательности. Демонтированная крышка Снизу — старая цепь, сверху — новая Нива шевроле установка зажигания на шкиве распредвала — должна быть напротив отлива на корпусе подшипников Метка на шкиве распредвала — должна быть напротив отлива на корпусе подшипников Метка на задающем диске — посредине ДПКВ Ближнее фото нива шевроле установка зажигания на задающем диске — посредине ДПКВ Фотогалерея Фото 1.
Комплект натяжителя в разборе Фото 2. Крышка привода Фото 3. Это позволяет получить более высокие характеристики при эксплуатации автомобиля. В моделях двигателей с установленным ремнем ГРМ при его растяжении возможно проскальзывание зубьев.

Но, несмотря на более высокие технические показатели, цепь тоже имеет некоторые недостатки. Она подвержена растяжению, при частом использовании двигателя на высоких оборотах она может лопнуть.
Метками называются специальные насечки, которые можно увидеть на шкиве системы газораспределения. Эти метки нива шевроле установка зажигания совмещать с теми, которые нанесены на цепь.
Разновидности
За время выпуска, «Шнива» комплектовалась двумя типами модулей.
- МЗ от автомобиля ВАЗ 2112. Устанавливался до 2006 года. В своем составе, имеет систему управления искрообразованием.
- Модуль от ВАЗ 2111. Управляется сигналами с ЭБУ, поэтому по своей сути, является обычной катушкой зажигания.
Следует учитывать, что модули невзаимозаменяемые. Связано это с их различной конструкцией. Определить какой модуль зажигания на «Ниве-Шевроле» можно по его внешнему виду. Старый имеет большие габариты и массу, а самое главное, в отличие от нового, не три, а четыре контакта на разъеме первичной обмотки. При этом процесс проверки модуля зажигания «Нивы-Шевроле», будет рассмотрен на примере нового модуля.

Как проверить модуль зажигания Шевроле Нива: неисправности
В современных инжекторных автомобилях неизменным компонентов двигателя является модуль зажигания. Это устройство отвечает за генерацию электрического импульса высокого напряжения. Впоследствии импульс передается на свечи зажигания, чтобы вызвать искру в цилиндре и зажечь топливную смесь.
Но зачастую могут возникнуть проблемы в работы данного устройства и может потребоваться его замена. Так же многих покорителей бездорожья не устраивает штатное расположение устройства в нижней части двигателя, где на него может попадать вода и возникает необходимость его переноса в другое место.
Принцип действия модуля зажигания на Шевроле Нива
Штатное расположение модуля зажигания под капотом вызывает вопросы.
Модуль зажигания – это конструкция с первичной и вторичной парой обмоток с коммутатором, в которой ток поочерёдно переключается с одной катушки на другую. Её работа реализовывается из ЭБУ (блока управления — прим.), и от неё же происходит анализирование и сбор информации от её работы.
Конструкция модуля
Четыре клеммы, расположенные на модуле имеют и буквенные обозначения, так на соединения под маркировкой A и B подходят импульсы с датчика Холла, которые и переводят контакты с одной на другую, а контакты C и D – ответственны за питание массу соответственно.
Буквенные обозначения ясно видны на корпусе устройства.
Самые частые причины неисправностей
Одной из самых частых причин возникновения поломок становится вторичная обмотка. Потому как именно в ней генерируется импульс с высоким напряжением, и там в большинстве случаев может случиться обрыв или разрыв витков. Случается, это из-за следующего:
Подробнее о поломках
Бронепровода отмечены стрелочкамиТот самый высоковольтный импульс который возникает на вторичной обмотке обязательно должен быть полностью использован, то есть если этого не случается (при нарушении целостности провода – прим.), то импульс ищет ближайший «выход» и находит он его, как правило, в той самой вторичной обмотке, которая намного тоньше чем сечение самих проводов.
Первые признаки неисправности
Как правило, сразу две катушки не выходят из строя, поэтому, запустить двигатель даже с частично неисправным модулем всё же получится. Но, опытный автовладелец должен сразу заподозрить неполадки, и сопровождаются они следующим образом:
- Двигатель не способен легко набрать «рабочие» обороты.
- Холостой ход будет «плавать».
- Возможно «троение» двигателя.
- Во время движения могут наблюдаться рывки.
Порядок проверки модуля зажигания на Шевроле Нива
Перед тем как приступить к демонтажу модуля, необходимо убедиться в том, что причиной нестабильной работы не стало банальное отсутствие контакта питания. Для этого «пошевелим», либо несколько раз включим и выключим подсоединённый блок проводов. Если подобная процедура не принесла никаких результатов, то проверять работоспособность следует на демонтированном устройстве.
Значения на мультиметре в норме.
- Когда элемент снят, готовим к работе мультиметр, и проверяем целостность и чистоту гнёзд на клеммах (A, B, C, D – прим.).
- Первым делом подключаем красный щуп на контакт – D, второй на «массу». Включаем мультиметр в режим вольтметра – 20 вольт, и если гнездо рабочее, то показания на тестере должны равняться 12 вольт.
- Далее, переходим к контакту – C, второй снова на «массу». Мультиметр переключаем режим омметра и смотрим на показания прибора, и если оно составляет меньше 1 Ом, то гнездо в норме.
- Контакты A и B проверяем по очереди, но в одинаковом порядке. Подключаем мультиметр в режиме вольтметра и если показания не превышают 0,3 вольта, то устройство можно считать полностью рабочим.
Если какой-либо замер показал результаты, не соответствующие нормам, то следует искать неполадки сразу в цепи катушки.
Перенос модуля зажигания
Модуль зажигания перенесён вышеКак уже писалось выше, для лучшей работы модуля зажигания его рекомендуют перенести выше в подкапотном пространстве.
Заключение
Обратите внимание, что если будет установлен факт обрыва обмотки, ремонту он не подлежит и ему потребуется только замена. Однако, если обе обмотки окажутся целы и будет обнаружен только обрыв пайки, его можно исправить своими руками, и для этого потребуется только паяльник. Во время проведения таких работ, можно не только восстановить нарушения в дорожках, но и укрепить другие
Во время проведения таких работ, можно не только восстановить нарушения в дорожках, но и укрепить другие
Однако, если обе обмотки окажутся целы и будет обнаружен только обрыв пайки, его можно исправить своими руками, и для этого потребуется только паяльник. Во время проведения таких работ, можно не только восстановить нарушения в дорожках, но и укрепить другие.
Коротко о конструкции
Главное предназначение любого МЗ – преобразование низковольтного сигнала в высокое напряжение, достаточное для нормального искрообразования в цилиндрах. Поэтому конструктивно, модуль зажигания «Нивы-Шевроле» представляет собой импульсный трансформатор. На его вход подается сигнал с электронного блока управления (ЭБУ), с выхода снимается напряжение порядка 20 – 30кВ. Модуль имеет разъем для подключения низковольтной части и четыре гнезда, в которые вставляются так называемые бронепровода.
Высокое напряжение подается сразу на два цилиндра. При этом 90% энергии, уходит на образование искры в том, где заканчивается такт сжатия. Рабочая смесь в нем находится под большим давлением, а значит, имеет высокую проводимость. Таким образом, модуль состоит из двух независимых катушек зажигания.

Модуль зажигания Нивы

Для образование искры в автомобилях Нива используется модуль зажигания. Более старые Нивы оснащались трамблером, данная деталь не внушала надежности и требовала особого внимания и частой ревизии. С переходом Нивы на инжекторные двигателя, необходимость в трамблере отпала, а его заменил более надежный модуль зажигания.
В данной статье речь пойдет о модуле зажигания автомобиля Нива, а именно о способах его проверки, признаках неисправности и многом другом. Изучив данную статью, Вы с легкостью сможете найти поломку в автомобиле связанную с МЗ.
Нива Шевроле и Нива ВАЗ
Несмотря на разные происхождения автомобилей в них все же имеются общие взаимозаменяемые детали. Например, модуль зажигания между данными авто одинаковый и способы его проверки тоже одинаковые.
Назначение и конструкция детали
Назначение данного датчика одно – подача надежной искры в камеру сгорания автомобиля через высоковольтные провода и свечу. Если быть точнее модуль зажигания подает не искру, а лишь напряжение необходимое для образования искры на свече.

Конструкция детали выполняется из термостойкого пластика, в который помещены две катушки. Каждая из катушек отвечает за работу двух цилиндров. Катушки имеют первичную и вторичную обмотки, в которых генерируется высокое напряжение.
Отличия модулей
Существует два типа модулей зажигания для Нивы. Первый тип устанавливался на Нивы до 2006 г.в., а перекочевал он на Ладу 4х4 с ВАЗ 2112.
Модуль ВАЗ 2112
Новый тип модуля достался Ниве от ВАЗ 2111.
Модуль ВАЗ 2111
Визуально две этих детали спутать довольно сложно. Они отличаются между собой, массой и габаритами, вес МЗ от ВАЗ 2112 намного больше, чем от ВАЗ 2111.
Где находится МЗ

Модуль зажигания у Нивы расположен на блоке цилиндров и крепиться к нему на специальном кронштейне. Данное расположение является неудачным, так как по своему назначению Нивы используется в суровых условиях, особенно при езде по воде довольно часто МЗ выходит из строя.
Многие владельцы переносят МЗ повыше на поперечную рамку подкапотного пространства.
Признаки неисправности
К признакам неисправности модуля зажигания Нивы можно отнести следующие поломки:
- Пропадает мощность двигателя;
- Троение при запуске на холодную;
- Отказ сразу двух цилиндров 1-4, 2-3;
Если на вашем автомобиле появились такие признаки неисправности необходимо провести проверку модуля на целостность.
Проверка
Проверку модуля можно осуществить с помощью специального диагностического прибора ЕЛМ327 или с помощью мультиметра. Так как не каждый автолюбитель обладает диагностическим прибором, правильнее всего будет рассказать о проверке МЗ с помощью простого мультиметра.
Для проверки МЗ понадобиться обычный бытовой мультиметр, он же тестер. Проверка заключается в измерении сопротивления обмоток.
Пошаговый процесс проверки
Проверяем сопротивление вторичной обмотки
Для этого выставляем на мультиметре предел измерения сопротивления 20 кОм.
Подключаем щупы к выводам модуля и смотрим на показания прибора.

Сопротивление обмотки должно быть в районе 5 кОм.
Проверка первичной обмотки
Необходимо выставить на мультиметре переключатель на измерения сопротивления пределом 200 Ом.
Подключаем щупы мультиметра, как показано на картинке и проводим замер сопротивления.

Сопротивление должно быть в районе 5 Ом.
Почему МЗ ломается?
Модуль зажигания выходит из строя из-за использования некачественных свечей, а так же из-за использования старых высоковольтных проводов изоляция которых утратила свои свойства.

Если МЗ намочить, например, проехав на Ниве по броду, то вероятность его поломки довольно велика.
Чтобы модуль зажигания проработал намного дольше необходимо вовремя менять свечи зажигания и высоковольтные провода.
Стоимость модуля
Цена модуля зависит от региона, в котором будет совершена покупка. Средняя стоимость МЗ Нивы начинается от 1000 рублей. Более подробные цены можно увидеть на яндекс.маркете.
Подключение высоковольтных проводов
Последовательность подключения высоковольтных проводов играет огромную роль, так как искра в цилиндре подается по определенному порядку, который указывает датчик положения коленчатого вала. Как только поршень достигает ВМТ в него подается искра, чтобы воспламенить топливовоздушную смесь.
Ниже представлена схема как подключать ВВ провода на Ниве.

Для замены модуля зажигания на Ниве понадобиться минимальный набор инструментов и навыков в ремонте автомобиля. Данная работа является довольно простой и не требующей больших усилий.
Recommendations
Comments 41
на старых Шнивах шли модули от 2112 -3705010-01 и 02Только вчера у себя менял модуль — кстати прошел он 113 тыс. В Москве модуль стоит от 1450р. То что на первой фотке это не модуль а катушка. Она идёт на новых Шнивах так как там в мозгах запрограммирована подача искры на каждый клапан. А в старых Шнивах все это дело делает модуль.
мой с покупки машины вроде)
вот это другой разговор! спасибо
Вообще я спросил конкретно можно или нельзя. Так мне ни кто и не дал точного ответа!
эх «грамотные» отличие модуля от катушки:1 — фото катушка зажигания 4-х выводная с «коммутатором» (2 силовых транзистора) в корпусе контроллера2 — фото модуль зажигания 4 хвыводной с «коммутатором» (2 силовых транзистора) в корпусе модуля (задняя стенка из алюминия является радитором)Контроллер который призван работать с модулем, с катушкой работать не будет и на оборот! не верете полите свой контроллер на здоровье!
настоящих буйных маловот и нету вожаков!В.С. Высоцкий.катушка как ее ни назови — остается катушкой. резкий обрыв 12 вольтовой напруги первичной обмотки вызывает высоковольтный (до 25 000 V) импульс на вторичной обмотке. это можно осуществить как механически так и электронно. конечно разные модификации и доработки могут затруднить управление работой от простого соединения проводов. о наличии внутри какой либо Електроники слышу впервые. ни в мурзилке шнивы, ни в 10-ке нет ни в схеме, ни в описании упоминания о наличии доп электроники. Извиняюсь если не прав…PS в ссылке выше изделие названо модулем. в мурзилке к шниве написано — катушка. спорить можно до усеру.
информация у меня взята с конструкторской документации,на заборах тоже пишут, заглядываешь а там дрова…
на Таврии часто горели комутаторы. дело было лет 20 назад. знакомый на рынке подвел к нормальному продавцу. тот при мне вскрыл. там был корпус и внутри ОДНА микросхема. это левак. когда он показал что еще должно стоять я был в шоке. там почти пол телевизионной платы сборка защиты. такой отходил пока в утилизацию не отогнал машину.спорить не буду. может быть есть какие то модели и с внутренней схемой. типа 2112 и 2111 маркировка дальше для спецов.
Ликвидация технической безграмотности!Катушка зажигания (часто называется «бобина») — импульсный трансформатор, преобразующий резкий спад напряжения от прерывателя/коммутатора в высоковольтный импульс.В многоцилиндровых двигателях традиционно использовалась одна катушка и распределитель; однако в большинстве современных двигателей используется несколько катушек зажигания, либо объединённых в едином корпусе с электронными коммутаторами ( «Модуль Зажигания»), при этом каждая катушка обеспечивает искру в конкретном цилиндре, либо в группах цилиндров, что позволяет отказаться от распределителя зажигания.вот в чем принципиальное различие катушек от модулей!на катушке обрыв цепи первичной обмотки осушествлялось либо межанически контактами, либо запиранием транзистора коммутатора.сейчас при отсутствии классического распределителя электронные датчики считывают положение коленвала, датчика фаз и управляют работой катушек (модуля) зажигания. принцип и функционал — прежний. название — другое. НЕ БОЛЕЕ! все остальное — развод.цена не зависит от имени модуль или катушка. это одно и тоже.ru.wikipedia.org/wiki/%D0…3%D0%B0%D0%BD%D0%B8%D1%8F
а про цену — у нас минимум на 1т.р. дороже(((



























